Drehstromlima anschließen
Drehstromlima anschließen
Hallo habe ein kleines Problem kann mir einer sagen wie die Kabel an den lima angeschlossen wird , das sind die kabel farben die ich zur Verfügung habe, wobei von den einer für Zündspule und der andere für Öldruck sein.sollte
Schwarz, Rot, Braun/weiß, Blau /Schwarz und Blau habe .Danke schon mal im vorraus.
Schwarz, Rot, Braun/weiß, Blau /Schwarz und Blau habe .Danke schon mal im vorraus.
- Matthias S.
- Wohnt im T2!
- Beiträge: 1629
- Registriert: 24.08.2012 21:21
- Kontaktdaten:
Re: Drehstromlima anschließen
Du hast eine Lima mit externen Regler. Dein Kabelbaum sieht aber nach einer Lima mit integriertem Regler aus.
Grüße, Matthias
Grüße, Matthias
- aircooled68
- Wohnt im T2!
- Beiträge: 2576
- Registriert: 13.04.2009 21:22
- IG T2 Mitgliedsnummer: 0
Re: Drehstromlima anschließen
Ja, einmal Kabelsatz zum Regler. Schönes Gefrickel schonwieder
Die Stecker für den Regler gibts halt leider nicht mehr.
Wie sieht dein Regler aus?
Gruß Jan
Die Stecker für den Regler gibts halt leider nicht mehr.
Wie sieht dein Regler aus?
Gruß Jan
Re: Drehstromlima anschließen
Die Kabel waren leider abgeschnitten ,habe es so bekommen.aircooled68 hat geschrieben: ↑25.04.2021 16:48 Ja, einmal Kabelsatz zum Regler. Schönes Gefrickel schonwieder![]()
Die Stecker für den Regler gibts halt leider nicht mehr.
Wie sieht dein Regler aus?
Gruß Jan
Re: Drehstromlima anschließen
Welcher Stecker ist gemeint? Den auf der Lima und den passenden Gummiüberzug gibt's noch neu...
- aircooled68
- Wohnt im T2!
- Beiträge: 2576
- Registriert: 13.04.2009 21:22
- IG T2 Mitgliedsnummer: 0
Re: Drehstromlima anschließen
Scheint wohl der zu sein:Stecker für den Regler
https://www.sls-hh-shop.de/main/de/merc ... ler-p-5533
Ich muss ehrlich gestehen, dass ich mich auf die Aussage von einer anderen Person verlassen hab.
Ob der verlinkte Stecker passt, hab ich noch nicht probiert.
Die Gleichstromlima hat einen anderen Regler.
Gruß Jan
Re: Drehstromlima anschließen
Hallo,
schau dir das mal auf einem Schaltplan zu deinem Auto an. Da wirst du die Kabelfarben und Lima finden.
Den richtigen Schaltplan findest du bestimmt auf den Seiten https://www.vw-t2-bulli.de/de-wiring.html
Gruss aus dem Bergischen
Ralf
schau dir das mal auf einem Schaltplan zu deinem Auto an. Da wirst du die Kabelfarben und Lima finden.
Den richtigen Schaltplan findest du bestimmt auf den Seiten https://www.vw-t2-bulli.de/de-wiring.html
Gruss aus dem Bergischen
Ralf
- aircooled68
- Wohnt im T2!
- Beiträge: 2576
- Registriert: 13.04.2009 21:22
- IG T2 Mitgliedsnummer: 0
Re: Drehstromlima anschließen
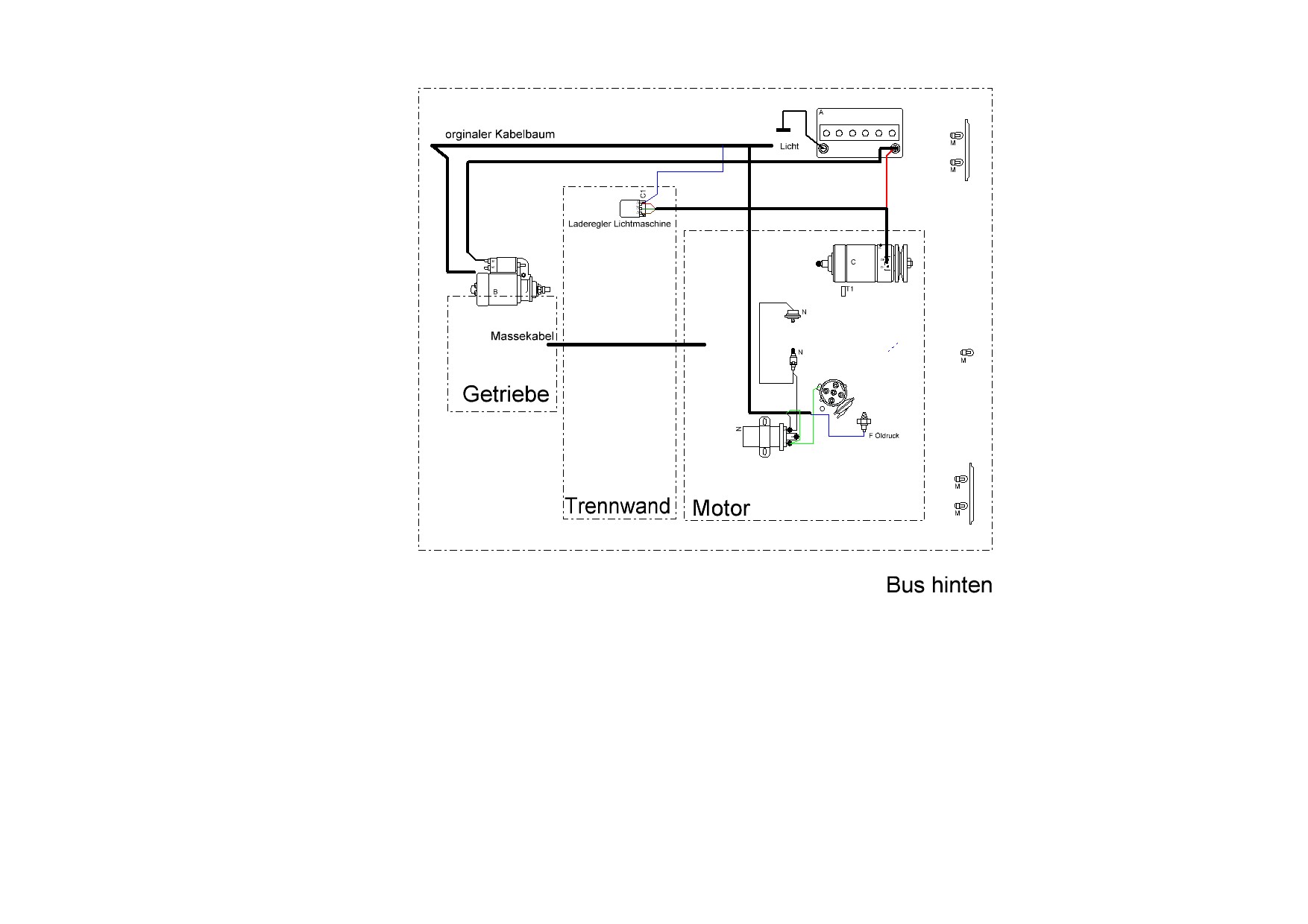
Von deiner Lima muss ein dickes, rotes Kabel (6qmm) an den Anlasser (orginal) oder an Plus der Batterie gehen (das mach ich einfachhalber immer).
Dann gibts noch ein rotes (D+), grünes (Df) und ein braunes (D-) was direkt von der Lima zum Regler geht.
Vom Hauptkabelbaum geht ein schwarzes an Klemme 15 und ein blau/grünes an den Öldruckschalter und ein blaues an den Regler, das entweder an Klemme 61 oder mit D+ zusammen angeschlossen wird.
Alles andere ist eventl. Diagnose und kann weg. Eventl. noch ein Kabel für Drehzahl und analogem Öldruck.
7 Kabel insgesamt. Ich hab dir aus Langeweile das mal aufgezeichnet...
Gruß Jan
Dann gibts noch ein rotes (D+), grünes (Df) und ein braunes (D-) was direkt von der Lima zum Regler geht.
Vom Hauptkabelbaum geht ein schwarzes an Klemme 15 und ein blau/grünes an den Öldruckschalter und ein blaues an den Regler, das entweder an Klemme 61 oder mit D+ zusammen angeschlossen wird.
Alles andere ist eventl. Diagnose und kann weg. Eventl. noch ein Kabel für Drehzahl und analogem Öldruck.
7 Kabel insgesamt. Ich hab dir aus Langeweile das mal aufgezeichnet...
Gruß Jan
Re: Drehstromlima anschließen
Dankeschön.aircooled68 hat geschrieben: ↑28.04.2021 17:23 Von deiner Lima muss ein dickes, rotes Kabel (6qmm) an den Anlasser (orginal) oder an Plus der Batterie gehen (das mach ich einfachhalber immer).
Dann gibts noch ein rotes (D+), grünes (Df) und ein braunes (D-) was direkt von der Lima zum Regler geht.
Vom Hauptkabelbaum geht ein schwarzes an Klemme 15 und ein blau/grünes an den Öldruckschalter und ein blaues an den Regler, das entweder an Klemme 61 oder mit D+ zusammen angeschlossen wird.
Alles andere ist eventl. Diagnose und kann weg. Eventl. noch ein Kabel für Drehzahl und analogem Öldruck.
7 Kabel insgesamt. Ich hab dir aus Langeweile das mal aufgezeichnet...
Gruß Jan
Lima Verkabelung.JPG




