Halterung Zusatzölkühler
Re: Halterung Zusatzölkühler
Moin,
das mit dem Hitzetod im Stau ohne den Serienölkühler hatten wir hier an anderer Stellen schon mal. Ist wohl tatsächlich kein Thema weil unkritisch.
Kritisch wird es nur wenn Du mit dem Bulli in einer Sanddünne festhängst und Dich hier mit eigener Motorkraft rauswühlen willst. Dann brachst Du viel Motorleistung und der Zusatzölkühler kriegt keine Kühl-Luft.
Verpresst oder nicht verpresst. Bei den T3 Syncro ist das mit dem Zusatzölkühler auch immer so ein Thema und hier gibt es seriöse Anbieter die auch selber einen Syncro haben und ihn artgerecht einsetzen. Die bieten den Komplettkit mit verpressten Schläuchen an, andere nicht verpresst mit Schlauchschellen.
Schlauchschellen ist bei der Montage etwas leichte - man kann sich halt einfach(er) in der heimischen Garage abschneiden und die Länge anpassen.
Beides scheint problemlos zu funktionieren. Ich kann mich nicht erinnern das ich mal Klagen gehört - gelesen - hab. Probleme machen die Schläuche. Manche lösen sich nach ein paar Jahre auf oder scheuern leichter durch.
COHLINE 2633.1000 ist wohl eine brauchbare Variante - hält kurzfristig 140 Grad aus! (Normal sollten so bis 125 Grad sein) Ich kann mir Situationen vorstellen wo das bei so einen Lufti kritisch wird. (was genau ist kurzfristig??)
Gruß Bernd
das mit dem Hitzetod im Stau ohne den Serienölkühler hatten wir hier an anderer Stellen schon mal. Ist wohl tatsächlich kein Thema weil unkritisch.
Kritisch wird es nur wenn Du mit dem Bulli in einer Sanddünne festhängst und Dich hier mit eigener Motorkraft rauswühlen willst. Dann brachst Du viel Motorleistung und der Zusatzölkühler kriegt keine Kühl-Luft.
Verpresst oder nicht verpresst. Bei den T3 Syncro ist das mit dem Zusatzölkühler auch immer so ein Thema und hier gibt es seriöse Anbieter die auch selber einen Syncro haben und ihn artgerecht einsetzen. Die bieten den Komplettkit mit verpressten Schläuchen an, andere nicht verpresst mit Schlauchschellen.
Schlauchschellen ist bei der Montage etwas leichte - man kann sich halt einfach(er) in der heimischen Garage abschneiden und die Länge anpassen.
Beides scheint problemlos zu funktionieren. Ich kann mich nicht erinnern das ich mal Klagen gehört - gelesen - hab. Probleme machen die Schläuche. Manche lösen sich nach ein paar Jahre auf oder scheuern leichter durch.
COHLINE 2633.1000 ist wohl eine brauchbare Variante - hält kurzfristig 140 Grad aus! (Normal sollten so bis 125 Grad sein) Ich kann mir Situationen vorstellen wo das bei so einen Lufti kritisch wird. (was genau ist kurzfristig??)
Gruß Bernd
- boggsermodoa
- Wohnt im T2!
- Beiträge: 7323
- Registriert: 22.12.2003 10:53
- IG T2 Mitgliedsnummer: 0
Re: Halterung Zusatzölkühler
MichaB hat geschrieben:nicht mehr als 0,5 Bar
Re: Halterung Zusatzölkühler
Näheres hier, weiter unten der Beitrag von Hugo.
Der sich wiederum auf eine Aussage von Andreas Fram beruft.
#micha#
Der sich wiederum auf eine Aussage von Andreas Fram beruft.
#micha#
Allergikerinfo: Meine Beiträge können Spuren einer Meinung enthalten.
Risiken und Nebenwirkungen sind nicht generell auszuschließen.

Shop.bulli.org - Das 24/7 Einkaufsparadies für Bulliliebhaber
Risiken und Nebenwirkungen sind nicht generell auszuschließen.

Shop.bulli.org - Das 24/7 Einkaufsparadies für Bulliliebhaber
- boggsermodoa
- Wohnt im T2!
- Beiträge: 7323
- Registriert: 22.12.2003 10:53
- IG T2 Mitgliedsnummer: 0
Re: Halterung Zusatzölkühler
Was für ein Unsinn!
Mal unabhängig davon, ob dieser Wert überhaupt stimmt: Das ist doch nur der Differenzdruck vor und nach dem Filter und - wenn man da den kompletten Kühlkreislauf dazwischen fügt - der Differenzdruck vor und nach dem Kühlkreislauf + Filter. Mit dem Absolutdruck hat das jedoch überhaupt nix zu tun!
Falls dir das Beispiel verständlicher ist: Den Spannungsabfall an einer Kabelverbindung mißt du auch im Millivolt-Bereich. Das ändert aber nix daran, daß dort 14V anliegen.
Mal unabhängig davon, ob dieser Wert überhaupt stimmt: Das ist doch nur der Differenzdruck vor und nach dem Filter und - wenn man da den kompletten Kühlkreislauf dazwischen fügt - der Differenzdruck vor und nach dem Kühlkreislauf + Filter. Mit dem Absolutdruck hat das jedoch überhaupt nix zu tun!
Falls dir das Beispiel verständlicher ist: Den Spannungsabfall an einer Kabelverbindung mißt du auch im Millivolt-Bereich. Das ändert aber nix daran, daß dort 14V anliegen.
- Matthias S.
- Wohnt im T2!
- Beiträge: 1627
- Registriert: 24.08.2012 21:21
- Kontaktdaten:
Re: Halterung Zusatzölkühler
Das Hitzeproblem hat man durchaus ohne Serienkühler, natürlich nicht wenn man im Stau steht, sondern bei Stop and Go mit Steigung und 40°C Außentemperatur. z.B. auf Südseite vor dem Gotthardtunnel bei Kolonnenabfertigung so schon erlebt. Die Hitze der Kupplung wird dabei auch über das vordere Hauptlager abgeführt.
Ich habe schon beide Varianten gefahren. Es funktionieren beide aber ich sehe die Vorteile bei der Ölfilteradapterplatte.
Verpresste Leitungen ist einfach die professionellere und saubere Arbeit, zwei Schlauchbinder hintereinander sind genauso sicher.
Grüße, Matthias
Ich habe schon beide Varianten gefahren. Es funktionieren beide aber ich sehe die Vorteile bei der Ölfilteradapterplatte.
Verpresste Leitungen ist einfach die professionellere und saubere Arbeit, zwei Schlauchbinder hintereinander sind genauso sicher.
Grüße, Matthias
- Tanjas&Thomas_T2b
- *

- Beiträge: 5104
- Registriert: 27.08.2010 20:32
- IG T2 Mitgliedsnummer: 680
Re: Halterung Zusatzölkühler
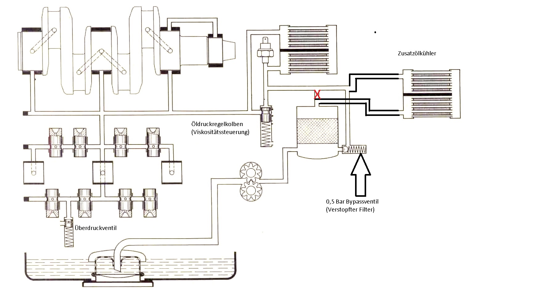
Ich habe das mal versucht in den Ölkreislauf mit rein zu malen.
Das 0,5 Bar Bypassventil macht erst auf, wenn der Öldruck durch Filter und Zusatzölkühler 0,5 Bar übersteigt.
Und das scheint nicht der Fall zu sein. Ich messe die Öltemperatur am Öldruckregelkolben.
Und als der Ölkühler in Betrieb war, ist an der Stelle die Öltemperatur nie über 80°C laut meiner Anzeige gestiegen.
Das war sonst immer der Fall. Sprich das System funktioniert.
Und wie Clemens schon sagt, es handelt sich hier um den Differenzdruck und nicht den Absolutdruck im System.
Viele Grüße,
Thomas
P.S. Ich habe gerade noch mal im RLF gesucht.
Dort wird keine Angabe zum Druck gemacht, wann der Bypass geöffnet wird.
Sprich die 0,5 Bar die auch ich hier mit übernommen habe, stammen aus einer mir unbekannten Quelle :unbekannt:
Das 0,5 Bar Bypassventil macht erst auf, wenn der Öldruck durch Filter und Zusatzölkühler 0,5 Bar übersteigt.
Und das scheint nicht der Fall zu sein. Ich messe die Öltemperatur am Öldruckregelkolben.
Und als der Ölkühler in Betrieb war, ist an der Stelle die Öltemperatur nie über 80°C laut meiner Anzeige gestiegen.
Das war sonst immer der Fall. Sprich das System funktioniert.
Und wie Clemens schon sagt, es handelt sich hier um den Differenzdruck und nicht den Absolutdruck im System.
Verpressen mag sicher Professioneller sein, aber mit Schlauchschellen bin ich in der Wildbahn potenziell flexibler.Matthias S. hat geschrieben:Verpresste Leitungen ist einfach die professionellere und saubere Arbeit, zwei Schlauchbinder hintereinander sind genauso sicher.
Viele Grüße,
Thomas
P.S. Ich habe gerade noch mal im RLF gesucht.
Dort wird keine Angabe zum Druck gemacht, wann der Bypass geöffnet wird.
Sprich die 0,5 Bar die auch ich hier mit übernommen habe, stammen aus einer mir unbekannten Quelle :unbekannt:
Im Angebot: Drehzahlmesser, US-Motor-Kabelbaum *680
Nehmen und geben! Es ist nicht der Sinn eines Forums, Informationen per PN auszutauschen!
Nehmen und geben! Es ist nicht der Sinn eines Forums, Informationen per PN auszutauschen!
- Wolfgang T2b *354
- Wohnt im T2!
- Beiträge: 2601
- Registriert: 27.04.2004 11:00
- IG T2 Mitgliedsnummer: 354
- Kontaktdaten:
Re: Halterung Zusatzölkühler
Hallo,
ich habe keinen serienmäßigen Ölfilter (weil Typ 1). Doch ich kann mich erinnern, dass mein nachträglich montierter Filter ein eingebautes Umgehungsventil hat mit der gleichen Funktion wie das oben dargestellt Bypass-Ventil. Nur der Auslösedruck ist deutlich höher, je nach Filter-Typ zwischen 1,5 und 2,5 bar. Insofern wundert es mich, dass VW den Filter schon bei 0,5 bar still legt.
Schöne Grüße
Wolfgang
ich habe keinen serienmäßigen Ölfilter (weil Typ 1). Doch ich kann mich erinnern, dass mein nachträglich montierter Filter ein eingebautes Umgehungsventil hat mit der gleichen Funktion wie das oben dargestellt Bypass-Ventil. Nur der Auslösedruck ist deutlich höher, je nach Filter-Typ zwischen 1,5 und 2,5 bar. Insofern wundert es mich, dass VW den Filter schon bei 0,5 bar still legt.
Schöne Grüße
Wolfgang
- Tanjas&Thomas_T2b
- *

- Beiträge: 5104
- Registriert: 27.08.2010 20:32
- IG T2 Mitgliedsnummer: 680
Re: Halterung Zusatzölkühler
Ich habe heute mal etwas gebastelt und gemessen.
Die Kugel im Ölfilterhalter bewegt sich bei rund 0,85Kg Gewicht.
(Ich habe eine Küchenwaage genommen und mit einer Kugelschreiberhülse die Bypasskugel in den Ölfilterhalter rein gedrückt.)
Den Durchmesser der Öffnung schätze ich mal auf 10mm.
Allerdings sind meine Berechnungen zu dem Druck der nötig ist um die Bypasskugel zu bewegen alle sehr fragwürdig geendet,
deshalb darf hier noch einmal jemand anders rechnen
Viele Grüße,
Thomas
Das größere Rohr passt
übrigens
Die Kugel im Ölfilterhalter bewegt sich bei rund 0,85Kg Gewicht.
(Ich habe eine Küchenwaage genommen und mit einer Kugelschreiberhülse die Bypasskugel in den Ölfilterhalter rein gedrückt.)
Den Durchmesser der Öffnung schätze ich mal auf 10mm.
Allerdings sind meine Berechnungen zu dem Druck der nötig ist um die Bypasskugel zu bewegen alle sehr fragwürdig geendet,
deshalb darf hier noch einmal jemand anders rechnen
Viele Grüße,
Thomas
Das größere Rohr passt
Im Angebot: Drehzahlmesser, US-Motor-Kabelbaum *680
Nehmen und geben! Es ist nicht der Sinn eines Forums, Informationen per PN auszutauschen!
Nehmen und geben! Es ist nicht der Sinn eines Forums, Informationen per PN auszutauschen!
- boggsermodoa
- Wohnt im T2!
- Beiträge: 7323
- Registriert: 22.12.2003 10:53
- IG T2 Mitgliedsnummer: 0
Re: Halterung Zusatzölkühler
1,0823barTanjas&Thomas_T2b hat geschrieben:deshalb darf hier noch einmal jemand anders rechnen
- Tanjas&Thomas_T2b
- *

- Beiträge: 5104
- Registriert: 27.08.2010 20:32
- IG T2 Mitgliedsnummer: 680
Re: Halterung Zusatzölkühler
Danke! Ich hatte irgendwie Probleme mit der Potenzboggsermodoa hat geschrieben: 1,0823bar
Das ist zumindest ein realistischer Wert, sprich wir legen die 0,5 Bar mal in die Kiste der Märchen.
Und wenn über das Ölkühlsystem und den Filter mehr als ein Bar Druck abfällt, dann stimmt auch etwas nicht mit der Dimensionierung der Leitungsquerschnitte.
Im Angebot: Drehzahlmesser, US-Motor-Kabelbaum *680
Nehmen und geben! Es ist nicht der Sinn eines Forums, Informationen per PN auszutauschen!
Nehmen und geben! Es ist nicht der Sinn eines Forums, Informationen per PN auszutauschen!


