Lichtschalter
Lichtschalter
Moin - oder besser frohe Ostern!
Darf ich mich mal mit folgenden zwei Fragen an euch Freaks wenden?:
(Die Vorgeschichte: Die Schaltung meines Abblendlichts/Fernlichts funktioniert nicht (hat sie noch nie; is n' US-Reimport; haben die keine Lichthupe?).
Weil die Lichthupe über den Anschluß 30 am Abblendlicht-Relais nicht ging (ich vermutete den Fehler im Relais), habe ich mir ein neues Relais gekauft. Habe dann gesehen, dass der Anschluss 30 am Relais ohne Kabel war. Also: Nach Verlegen eines Kabels (rot) an die 30-Klemme im Sicherungskasten und Einsetzen des neuen Relais brennt jetzt bereits das Abblendlicht, allein wenn das Relais eingesteckt ist (ohne Zündung und ohne Zugschalter). Man kann es nicht mehr ausschalten.)
Meine Fragen:
1.Das Abblendlicht ging vorher (mit altem Relais) erst mit Zündung an; dann macht aber doch eigentlich der Zwei-Stufen-Zugschalter keinen Sinn, oder?
(Denn dann würde eine Stufe genügen: a) Zündung aus, dann Standlicht ein; b) Zündung ein, dann Abblendlicht (statt Standlicht)).
Aber:
2. Warum ist dann im Zugschalter E1 (siehe nachfolgend abgebildeter Stromlaufplan-Auszug) nur das Standlicht auf Klemme 30, während das Abblendlicht auf Klemme 15 schwarz-gelb (also bei eingeschalteter Zündung) liegt?
:
Ich sag schon mal Danke!
Da Raphi
Darf ich mich mal mit folgenden zwei Fragen an euch Freaks wenden?:
(Die Vorgeschichte: Die Schaltung meines Abblendlichts/Fernlichts funktioniert nicht (hat sie noch nie; is n' US-Reimport; haben die keine Lichthupe?).
Weil die Lichthupe über den Anschluß 30 am Abblendlicht-Relais nicht ging (ich vermutete den Fehler im Relais), habe ich mir ein neues Relais gekauft. Habe dann gesehen, dass der Anschluss 30 am Relais ohne Kabel war. Also: Nach Verlegen eines Kabels (rot) an die 30-Klemme im Sicherungskasten und Einsetzen des neuen Relais brennt jetzt bereits das Abblendlicht, allein wenn das Relais eingesteckt ist (ohne Zündung und ohne Zugschalter). Man kann es nicht mehr ausschalten.)
Meine Fragen:
1.Das Abblendlicht ging vorher (mit altem Relais) erst mit Zündung an; dann macht aber doch eigentlich der Zwei-Stufen-Zugschalter keinen Sinn, oder?
(Denn dann würde eine Stufe genügen: a) Zündung aus, dann Standlicht ein; b) Zündung ein, dann Abblendlicht (statt Standlicht)).
Aber:
2. Warum ist dann im Zugschalter E1 (siehe nachfolgend abgebildeter Stromlaufplan-Auszug) nur das Standlicht auf Klemme 30, während das Abblendlicht auf Klemme 15 schwarz-gelb (also bei eingeschalteter Zündung) liegt?
:
Ich sag schon mal Danke!
Da Raphi
Nix füar unguat! Grüße aus München ...
- Tanjas&Thomas_T2b
- *

- Beiträge: 5110
- Registriert: 27.08.2010 20:32
- IG T2 Mitgliedsnummer: 680
Re: Lichtschalter
Moin Ralphi,
wenn du nun das US Relais gegen das EU Relais getauscht hast, fehlt dir Klemme 30.
Sprich der Dauerplusanschluss für das Relais.
Das ist bei den US Bussen etwas anders.
Da musst du einfach ein Stück Kabel im Sicherungskasten ergänzen. Aber das hast du ja schon gemacht.
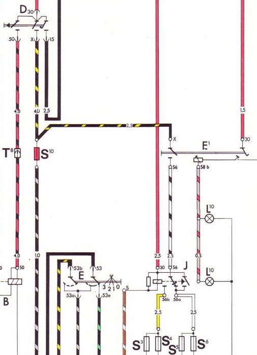
Hier einmal der Auszug aus dem US Plan: Viele Grüße
Thomas
wenn du nun das US Relais gegen das EU Relais getauscht hast, fehlt dir Klemme 30.
Sprich der Dauerplusanschluss für das Relais.
Das ist bei den US Bussen etwas anders.
Da musst du einfach ein Stück Kabel im Sicherungskasten ergänzen. Aber das hast du ja schon gemacht.
Hier einmal der Auszug aus dem US Plan: Viele Grüße
Thomas
Im Angebot: Drehzahlmesser, US-Motor-Kabelbaum *680
Nehmen und geben! Es ist nicht der Sinn eines Forums, Informationen per PN auszutauschen!
Nehmen und geben! Es ist nicht der Sinn eines Forums, Informationen per PN auszutauschen!
- Bullischorsch
- T2-Süchtiger
- Beiträge: 666
- Registriert: 10.09.2016 07:46
- IG T2 Mitgliedsnummer: 927
Re: Lichtschalter
Hallo Raphi
Na ja, Standlicht soll im Stand eingeschaltet werden können. Damit man im Dunklen das Auto sieht. Das soll auch gehen ohne dass du den Zündschlüssel stecken lässt, wie willst Du sonst abschließen?
Abblendlicht zieht aber in 30 Minuten die Batterie leer, soll also auf jeden Fall ausgehen, wenn die Zündung aus ist.
Die echten Freaks erklären das sicher noch besser.
Edit: siehste, nichtmal zu Ende tippen darf man.
Georg
Na ja, Standlicht soll im Stand eingeschaltet werden können. Damit man im Dunklen das Auto sieht. Das soll auch gehen ohne dass du den Zündschlüssel stecken lässt, wie willst Du sonst abschließen?
Abblendlicht zieht aber in 30 Minuten die Batterie leer, soll also auf jeden Fall ausgehen, wenn die Zündung aus ist.
Die echten Freaks erklären das sicher noch besser.
Edit: siehste, nichtmal zu Ende tippen darf man.
Georg
- Norbert*848b
- *

- Beiträge: 7676
- Registriert: 30.10.2013 22:57
- IG T2 Mitgliedsnummer: 848
Re: Lichtschalter
Hallo Raphael,
(und die Klemme 30 überhaupt auch richtig abgenommen, sprich vom nicht abgesicherten Teil der Si, also unten?
So sollte die richtige Belegung am Relais aussehen:
X wird getrennt in Anlassschalterposition "Start" sowie "Zündung aus". … macht echt Sinn, kannst Dir sicherlich auch denken wieso.
Hast Du überhaupt die Klemme 30 auf den richtigen Steckplatz nachgerüstet? Nach Deiner Fehlerbeschreibung bin ich mir nämlich nicht so sicher.
(und die Klemme 30 überhaupt auch richtig abgenommen, sprich vom nicht abgesicherten Teil der Si, also unten?
So sollte die richtige Belegung am Relais aussehen:
Naja, das Fahrlicht liegt nicht wirklich auf Klemme 15 sondern auf X!
X wird getrennt in Anlassschalterposition "Start" sowie "Zündung aus". … macht echt Sinn, kannst Dir sicherlich auch denken wieso.
Freundliche Grüße aus Algermissen
Norbert
Hab hin und wieder "Versager" und "Verzweifler" im reviedierten Zustand für den 50 PS Bus-Motor anzubieten.
Norbert
Hab hin und wieder "Versager" und "Verzweifler" im reviedierten Zustand für den 50 PS Bus-Motor anzubieten.
Re: Lichtschalter
... Aha! Also, da komm ich nun etwas näher (allerdings nur etwas!) - was nämlich den 30er Anschluss für das Relais betrifft: Hab ich doch glatt im Sicherungskasten oben abgenommen, also auf der gesicherten Seite - das kann ich ja jetzt ändern ...
Aber lieber Norbert
: nun kann ich's mir doch nicht selber denken! 1. wo ist der Unterschied zwischen X-Klemme und 15er-Klemme und warum X-Klemme?
Und wenn X-Klemme, dann bleibt immer noch meine Frage offen, warum einen Zwei-Stufen-Zug-Schalter für das Licht? Eine Stufe sollte doch genügen ...
Allerbeste Ostergrüße an die Freaks Norbert, BulliSchorch und Tanjas und Thomas ...
Aber lieber Norbert
Und wenn X-Klemme, dann bleibt immer noch meine Frage offen, warum einen Zwei-Stufen-Zug-Schalter für das Licht? Eine Stufe sollte doch genügen ...
Allerbeste Ostergrüße an die Freaks Norbert, BulliSchorch und Tanjas und Thomas ...
Nix füar unguat! Grüße aus München ...
- woita
- T2-Süchtiger
- Beiträge: 986
- Registriert: 18.12.2015 22:01
- IG T2 Mitgliedsnummer: 827
- Kontaktdaten:
Re: Lichtschalter
Steht oben schon.
1 Zugstufe: Standlicht
2 Zugstufe: Abblendlicht
Gruß woita
1 Zugstufe: Standlicht
2 Zugstufe: Abblendlicht
Gruß woita
- Norbert*848b
- *

- Beiträge: 7676
- Registriert: 30.10.2013 22:57
- IG T2 Mitgliedsnummer: 848
Re: Lichtschalter
Hallo Raphael,
Die X-Klemme wird beim Anlassvorgang zur Entlastung der Batterie abgeschaltet, herstellerspezifisch z.B. VW
Ab dem 71er Modell hat sich VW diese (glorreiche) Schaltung einfallen lassen. Einmal wegen Licht vergessen und andererseits, damit der (noch) zur Verfügung stehende Strom aus der Batterie ausschließlich für den Startvorgang genutzt wird (Szenario: Fahrzeug im dunkeln (und Winter) abgewürgt und anschließender Startversuch
-> klappt eben besser bei Fahrlicht aus
).
Wieso VW diese besagte Klemme nun mit X bezeichnet hat, entzieht sich meiner Kenntnis und ich kann nur mutmaßen, dass laut Norm da nichts existierte und man der Klemme halt einen Namen geben musste.
woita hat geschrieben: ↑11.04.2020 19:25 1 Zugstufe: Standlicht, versorgt über Dauerplus Klemme 30, damit es dieses Licht auch tut, wenn das Fahrzeug abgestellt ist.![]()
2 Zugstufe: Abblendlicht, allgemein Fahrlicht (Abblendlicht sowie Fernlicht), geschaltet über den X-Kontakt (abgeschaltet wenn Zündschlüssel gezogen ist), damit die Batterie geschont wird, falls man Licht angelassen hat![]()
Ab dem 71er Modell hat sich VW diese (glorreiche) Schaltung einfallen lassen. Einmal wegen Licht vergessen und andererseits, damit der (noch) zur Verfügung stehende Strom aus der Batterie ausschließlich für den Startvorgang genutzt wird (Szenario: Fahrzeug im dunkeln (und Winter) abgewürgt und anschließender Startversuch
-> klappt eben besser bei Fahrlicht aus
Wieso VW diese besagte Klemme nun mit X bezeichnet hat, entzieht sich meiner Kenntnis und ich kann nur mutmaßen, dass laut Norm da nichts existierte und man der Klemme halt einen Namen geben musste.
Freundliche Grüße aus Algermissen
Norbert
Hab hin und wieder "Versager" und "Verzweifler" im reviedierten Zustand für den 50 PS Bus-Motor anzubieten.
Norbert
Hab hin und wieder "Versager" und "Verzweifler" im reviedierten Zustand für den 50 PS Bus-Motor anzubieten.
Re: Lichtschalter
Oiso: Vielen Dank! Wie kann man nur so viele Details wissen?
Ich geh jetzt doch davon aus, dass beide von mir eingesetzten Licht-Relais kaputt sind.
Wünsch euch was ... bis demnächst ...
PS: Ich warte ja nur drauf, auch mal jemandem anderen eine Frage beantworten zu können ....
Ich geh jetzt doch davon aus, dass beide von mir eingesetzten Licht-Relais kaputt sind.
Wünsch euch was ... bis demnächst ...
PS: Ich warte ja nur drauf, auch mal jemandem anderen eine Frage beantworten zu können ....
Nix füar unguat! Grüße aus München ...
- Frank_Hopfner
- T2-Süchtiger
- Beiträge: 796
- Registriert: 20.11.2012 19:59
- Kontaktdaten:
Re: Lichtschalter
Hier würde ich gerne kurz einhaken. Ich habe die wirre Schaltung meines Italo-Kastens was Standlicht und Abblendlicht angeht nun aufgedröselt und die Falsche Belegung des Relais geändert. Jetzt Funktioniert folgendes:
1. Stufe: Standlicht, Grüne Kontrolleuchte an.
2. Stufe: Abblendlicht, Grüne Kontrolleuchte aus.
2. Stufe: Blinkerschalter einmal ziehen: Fernlicht, Blaue Kontrolleuchte an.
0. Stufe: (Aus): Lichthupe:
Also: Alles wie es soll, oder sollte nicht bei Abblendlicht die Grüne Kontrolleuchte auch leuchten?
Nachgemessen am Lichtschalter: 1. Stufe: Klemme 57 mit Spannung, 2. Stufe: Klemme 57 ohne Spannung.
Kann ich davon ausgehen das der Lichtschalter defekt ist, oder kann das noch einen anderen Grund haben?
Ich weiss leider nicht wie der Schalter von Innen aussieht da dieser in meinen Plänen nur als Blockschaltbild dargestellt ist.
und jetzt - vielen Dank schonmal.
Gruß, NIko
- aircooled68
- Wohnt im T2!
- Beiträge: 2576
- Registriert: 13.04.2009 21:22
- IG T2 Mitgliedsnummer: 0
Re: Lichtschalter
Alles korrekt. Die grüne Lampe im Tacho ist nur bei Standlicht an. Oder man hat den falschen Schalter.
Bei Stufe 0 und Lichthupe wird das Fernlicht eingeschalten. Merkt man dann erst, wenn man dann das Abblendlicht anmacht.
Gruß Jan
Bei Stufe 0 und Lichthupe wird das Fernlicht eingeschalten. Merkt man dann erst, wenn man dann das Abblendlicht anmacht.
Gruß Jan




