US-Einspritzer Steuergerät, Lambda Messung & Megasquirt

Technische Fragen und Antworten, Tipps und Tricks für Profis und Bastler. Hier sind die "Fachleute" am Werk.
Benutzeravatar
Tanjas&Thomas_T2b
*
*
Beiträge: 5123
Registriert: 27.08.2010 20:32
IG T2 Mitgliedsnummer: 680

Re: US-Einspritzer Steuergerät, Lambda Messung & Megasquirt

Beitrag von Tanjas&Thomas_T2b »

honz hat geschrieben: Spark inverted auf NO und schon läuft die Karre,
weiß nur nicht, warum er nicht mehr ausgegangen ist!! Werde das mal in Angriff nehmen jetzt.
Gruß Peter
:thumb: :bier: :bier: :bier: :bier: :bier: :bier: :bier: :bier: :bier:

Wie? Geht nicht aus? Zündschlüssel raus und Motor läuft weiter?
Hast du eine Selbsthaltung über das Benzinpumpenrelais oder so gebaut?

Aber Glückwunsch zum ersten Start! Das bringt dich doch schon mal einen Riesen Schritt weiter.

Viele Grüße,
Thomas
Im Angebot: Drehzahlmesser, US-Motor-Kabelbaum *680

Nehmen und geben! Es ist nicht der Sinn eines Forums, Informationen per PN auszutauschen!
Benutzeravatar
boggsermodoa
Wohnt im T2!
Beiträge: 7339
Registriert: 22.12.2003 10:53
IG T2 Mitgliedsnummer: 0

Re: US-Einspritzer Steuergerät, Lambda Messung & Megasquirt

Beitrag von boggsermodoa »

Tanjas&Thomas_T2b hat geschrieben: Wie? Geht nicht aus?
Ich würde es mal mit "stirbt nicht mehr ab" übersetzen. :wink:
Motor Springt kurz an, wenn er dann aber von Cranking auf Running umschaltet weil die Drehzahl hochgeht geht er wieder aus. Also kurz Anspringen und dann wieder aus.
Benutzeravatar
honz
T2-Süchtiger
Beiträge: 395
Registriert: 09.09.2008 16:15
IG T2 Mitgliedsnummer: 0
Kontaktdaten:

Re: US-Einspritzer Steuergerät, Lambda Messung & Megasquirt

Beitrag von honz »

hi,

leider ist es so, das Thomas recht hat. Irgendwie ist er nicht mehr ausgegangen, obwohl der Schlüssel zurückgedreht und rausgezogen war. War kurz überfordert, aber da Öldruck da war und die Drehzahl bei 2300U/min war (also kein Grund zur Panik), bin ich kurz an den Ratschekasten gegangen und hab das Kabel von der Zündspule zum Verteiler runtergehauen. Da war er dann endlich aus. Springt jetzt souverän an, und geht (wenn die Lichmaschine abgeklemmt ist) auch wieder aus. Habe schon 2 Stunden lang versucht nachzuvollziehen, warum er mit Lima nicht ausgeht, aber den Fehler noch nicht gefunden. Habe das Zündungsrelais an das schwarze Kabel, was normal zur Zündspule geht angesteuert.

Bin jetzt den Motor am komplettieren und hoffe, das am Freitag meine Zündzeitpunktpistole kommt. Hoffentlich bekomme ich den Anschluss vom Wärmetauscher zum Auspuff dicht, damit die Lambdasonde die richtigen Werte anzeigt.

Melde mich wenn es neues gibt!!

Gruß Peter
____________________________________________________________________________
Schaut mal vorbei!!
http://www.peterbendix.magix.net

Bild
Benutzeravatar
boggsermodoa
Wohnt im T2!
Beiträge: 7339
Registriert: 22.12.2003 10:53
IG T2 Mitgliedsnummer: 0

Re: US-Einspritzer Steuergerät, Lambda Messung & Megasquirt

Beitrag von boggsermodoa »

honz hat geschrieben:hab das Kabel von der Zündspule zum Verteiler runtergehauen.
Das Hochspannungskabel? :wink:
Klemme 1 wäre doch auch 'ne Möglichkeit gewesen, oder?
Bei elektronischen Zündanlagen kann da auch mal was über den Jordan gehen, wenn sie sich auf der Hochspannungsseite nicht entladen können. Die Spannung steigt da mal gern ins Uferlose!

Gruß,

Clemens
Benutzeravatar
honz
T2-Süchtiger
Beiträge: 395
Registriert: 09.09.2008 16:15
IG T2 Mitgliedsnummer: 0
Kontaktdaten:

Re: US-Einspritzer Steuergerät, Lambda Messung & Megasquirt

Beitrag von honz »

So im Nachhinein schon.

Hatte alle Möglichen Sachen im Kopf nur sowas wie Abwürgen ging schlecht ohne Antriebswellen, an den Stecker wäre ich aber auch nur schlecht dran gekommen. Hoffe mal das nichts passiert ist, aber komme leider nicht weiter, warum der einfach weitergelaufen ist.

Das Relais schaltet direkt zwischen Zündungsplus und Masse, da kann doch, wenn die Zündung aus ist kein Strom fließen??!!? Original wird beim Bus doch auch so der Motor ausgeschaltet.

Gruß Peter

p.s. was ist das Grau-Grüne Kabel, das original noch an der Zündspulen Masse Seite hängt, das habe ich bisher noch nicht angeschlossen. Habe aber auch im Stromlaufplan nicht gefunden, wofür das da ist.
____________________________________________________________________________
Schaut mal vorbei!!
http://www.peterbendix.magix.net

Bild
Benutzeravatar
boggsermodoa
Wohnt im T2!
Beiträge: 7339
Registriert: 22.12.2003 10:53
IG T2 Mitgliedsnummer: 0

Re: US-Einspritzer Steuergerät, Lambda Messung & Megasquirt

Beitrag von boggsermodoa »

honz hat geschrieben:was ist das Grau-Grüne Kabel
Das geht zum Diagnosestecker.

Gruß,

Clemens
Benutzeravatar
Tanjas&Thomas_T2b
*
*
Beiträge: 5123
Registriert: 27.08.2010 20:32
IG T2 Mitgliedsnummer: 680

Re: US-Einspritzer Steuergerät, Lambda Messung & Megasquirt

Beitrag von Tanjas&Thomas_T2b »

Hi Peter,

hast du aus Versehen irgendwo eine Verbindung zur Erregerspannung der Lichtmaschine geschaffen?
Das wäre das Blaue Kabel von vorne, bzw von der Lichtmaschine her kommt da wohl ein rotes Kabel.
(Zumindest beim T2b mit Drehstromlima.)

Oder kann das sein, dass du das blaue Kabel aus Versehen als Masse interpretiert hast und dein Relais irgendwie drüber steuerst?
Massefehler sind die schlimmsten!
Überprüf mal alle Stellen, an denen du Masse haben müsstest.
Und zum Ausschalten kannst du wie Clemens Vorgeschlagen hat, Klemme 15 von der Zündspule abziehen, oder einen Schalter zwischen bauen.

Ansonsten die Benzinpumpe spannungslos machen. Da ist auch keine Hochspannung in der Nähe.

Viele Grüße,
Thomas
Im Angebot: Drehzahlmesser, US-Motor-Kabelbaum *680

Nehmen und geben! Es ist nicht der Sinn eines Forums, Informationen per PN auszutauschen!
Benutzeravatar
honz
T2-Süchtiger
Beiträge: 395
Registriert: 09.09.2008 16:15
IG T2 Mitgliedsnummer: 0
Kontaktdaten:

Re: US-Einspritzer Steuergerät, Lambda Messung & Megasquirt

Beitrag von honz »

Hmm,

das blau geringelte Kabel ist doch der Öldruckgeber, den habe ich auch da angeschlossen wo er hingehört. Das Zündrelais geht direkt an den Massepunkt, an dem auch die Batterie hängt, das Benzinpumpenrelais wird ja Masse gesteuert und da geht die Masse zum Steuergerät. Plus vom Benzinpumpenreais wird über das Zündrelais gesteuert. Habe Plus direkt von der Lima zum Zündrelais und das schaltet das dann weiter zum Steuergerät, dem Benzinpumpenrelais auf Steuer- und Schaltseite.

Also im Prinzip genauso wie es im Kabelplan von der Megasquirt drin steht.

http://www.msextra.com/doc/general/ms1external.html

Gruß Peter
____________________________________________________________________________
Schaut mal vorbei!!
http://www.peterbendix.magix.net

Bild
Benutzeravatar
Tanjas&Thomas_T2b
*
*
Beiträge: 5123
Registriert: 27.08.2010 20:32
IG T2 Mitgliedsnummer: 680

Re: US-Einspritzer Steuergerät, Lambda Messung & Megasquirt

Beitrag von Tanjas&Thomas_T2b »

honz hat geschrieben:Springt jetzt souverän an, und geht (wenn die Lichmaschine abgeklemmt ist) auch wieder aus.
Hi Peter,

welches Kabel hast du denn an der Lima abgenommen?
Und kann es sein dass irgendeine Leitung von der Lima auf einen zweiten Eingang von deinem "Doppelrelais" geht?
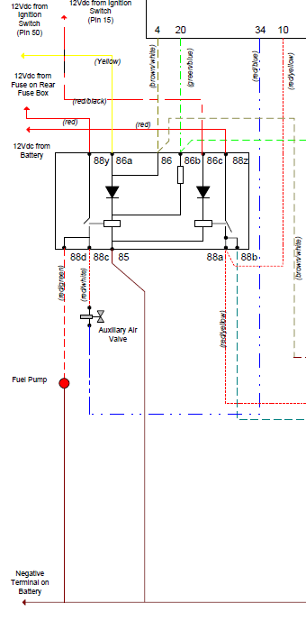
screenshot.29.png
Bei dem Typ4 US Relais wird das Benzinpumpenrelais "oder" gesteuert.
Über Anlasser oder über den Schalter im Luftmengenmesser. Eventuell hast du da bei dir auch so etwas in Verbindung mit der Lichtmaschine gebastelt?
In dem Fall halt für das "main" Relais.

screenshot.30.png
Klemm mal die Lichtmaschine an um den Fehlerfall wieder herzustellen.
Wenn du dann die Zündung ausmachst, miss mal an Klemme 85 vom Main Relais.
Da dürfte dann keine Spannung mehr anliegen.


Wenn da keine Spannung mehr ist und du an Klemme 30 vom Main Relais noch 12V misst, zieh mal Stecker 30 vom Main Relais ab.
Dann ergründe mal von wo die 12V kommen. Ob vom Main Relais oder vom Benzinpumpenrelais.
Am Benzimpumpenrelais kann dann ja eigentlich keine Spannung mehr liegen.
Es sei denn, du hast das Benzinpumpenrelais auch auf Batterie Plus gelegt. Da würde es ja nicht hin gehören.
honz hat geschrieben:das blau geringelte Kabel ist doch der Öldruckgeber,
Ich dachte jetzt an das rein Blaue Kabel für die Erregerspannung.
Das kommt von der Ladekontrolllampe und geht zum Lima Regler.

Aber von außen ist das immer schwer zu sagen, wo du nun die selbsthaltende Schaltung gebaut hast.

Viele Grüße,
Thomas
Im Angebot: Drehzahlmesser, US-Motor-Kabelbaum *680

Nehmen und geben! Es ist nicht der Sinn eines Forums, Informationen per PN auszutauschen!
Benutzeravatar
honz
T2-Süchtiger
Beiträge: 395
Registriert: 09.09.2008 16:15
IG T2 Mitgliedsnummer: 0
Kontaktdaten:

Re: US-Einspritzer Steuergerät, Lambda Messung & Megasquirt

Beitrag von honz »

Halli Hallo!!

Gerade den Motor ein paar Minuten Testlaufen gehabt, kam natürlich direkt die Nachbarsfrau und hat sich beschwert. Naja, ist jetzt 2 mal knapp 2 Minuten bei 2300U/min gelaufen und alles Top ohne Probleme.

Hab zuerst den Zündzeitpunkt nochmal gecheckt, habe so ca 80° Trigger Offset. Habe dann aufs Zündkennfeld umgeschaltet und das Leerlaufregelventil 3/4 auf, dann ging die Drehzahl schön hoch auf 2300 (ist schon geil tippst da ne Zahl ein und drückst auf Burn, zapp, schon dreht der Motor hoch). Naja habe dann soweit alles überwacht, mein Req Fuel von 20 auf 27 hochgestellt, damit er schön fett läuft, Lambdasonde hat AFR von 11 angezeigt.

Das Problem mit dem Ausmachen ist immer noch. Aber deine Idde, währen die Zündung aus ist und der Motor noch an alles durchzumessen ist gut. Werde das Anfang nächster Woche mal in Angriff nehmen. Jetzt am Wochnenende bin ich leider nicht da. Hatte mal Testweise das Erregerkabel abgezogen (hatte bevor ich Thomas thread gelesen habe nicht gewusst das das auch Erregung ist, sondern habe gedacht wäre nur für die Warnlampe) da konnte ich den Motor ausschalten. Das Benzinpumpenrelais ist bei mir hinter dem Zündungsrelais, also bekommt erst 12V geschaltet, wenn die Zündung an ist.

Das dürfte doch eigentlich nicht so schwer sein, habe einen kompletten Motor gebaut und ne Megasquirt gelötet, aber an sowas hängt es dann....

Ich melde mich Anfang der Woche nochmal, ob ich weiter gekommen bin. Genieße jetzt erstmal den ersten richtigen Lauf mit nem kühlen bierchen :bier:

Danke auch nochmal an eure vielen Tips, vor allem an Thomas, ohne euch würde der Motor jetzt noch lange nicht laufen.
Gruß

p.s. sehe grad, bei dir sind ja auch in dem Relais Dioden verbaut. Vielleicht brauch man die Wirklich, wobei ich Elektrisch noch nicht verstehe warum.

Bild
Zuletzt geändert von honz am 12.04.2013 23:01, insgesamt 1-mal geändert.
____________________________________________________________________________
Schaut mal vorbei!!
http://www.peterbendix.magix.net

Bild
Antworten