Den Kühlschrank lasse ich komplett auf 12V laufen. Wenn ich auf einem Campingplatz 230V habe, speise ich über das Ladegerät ja den 12V-Verbraucherstromkreis. So muss ich kein Zusatzgerät für den Kompressorkühlschrank kaufen, um den auf 230V laufen zu lassen. So der Plan...aircooled68 hat geschrieben: Was ist denn eigendlich mit Kühlschrank / Kühlbox? Ich wollte mal Gas, bin aber nun auf Kompressor umgestiegen. Und der braucht halt 12 bzw 230V...
(eventl. für die Zukunft???)
Schaltplan Zweitbatterie / Verbraucherstromkreis / 230 V
Re: Schaltplan Zweitbatterie / Verbraucherstromkreis / 230 V
Re: Schaltplan Zweitbatterie / Verbraucherstromkreis / 230 V
Hallo Olaf,
super interessanter Thread. Beschäftige mich derzeit auch mit Schaltplänen und Co und lese hier seit Tagen mit. Weiter so.
Jetzt noch die Durchmesser der beiden Kabel am Ladegerät wieder gleichsetzen und dann scheints nen finaler Plan zu sein.
Grüße, Jens
super interessanter Thread. Beschäftige mich derzeit auch mit Schaltplänen und Co und lese hier seit Tagen mit. Weiter so.
Jetzt noch die Durchmesser der beiden Kabel am Ladegerät wieder gleichsetzen und dann scheints nen finaler Plan zu sein.
Grüße, Jens
1974er T2b Westfalia, 1,9 l AP Motor
Re: Schaltplan Zweitbatterie / Verbraucherstromkreis / 230 V
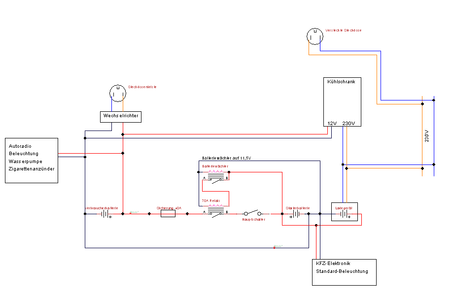
Richtig, das Massekabel von Ladegerät hatte noch den falschen Leitungsquerschnitt. Ist jetzt angepasst. Habe außerdem noch eine andere Leitungsfarbe für die Leitung zum vorderen Sicherungskasten gewählt, da die ursprünglich gewählte nicht lieferbar war...
Habe außerdem den Leitungstyp des 230V-Stromkreises noch im Plan vermerkt.

Habe außerdem den Leitungstyp des 230V-Stromkreises noch im Plan vermerkt.

-
Manuel1889
- T2-Profi
- Beiträge: 87
- Registriert: 27.05.2015 22:47
- IG T2 Mitgliedsnummer: 0
Re: Schaltplan Zweitbatterie / Verbraucherstromkreis / 230 V
Hi,
ich bin auch gerade an der Planung der Elektrik (inkl. Zweitbatterie).
Ursprünglich wollte ich eine kleine 54Ah Starterbatterie und eine Große 190Ah Verbraucherbatterie einbauen, da ich jedoch Platzmäßig nur max. 2 Stk 100Ah Batterien unterbringe, versuche ich nun einen anderen Ansatz.
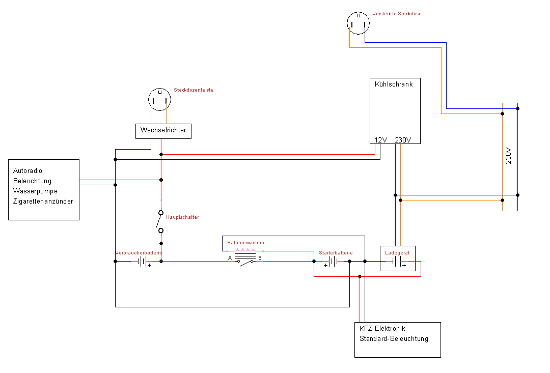
Ich verbinde die beiden Batterien mittels einem Batteriewächter. D.h. wenn die Spannung der Starterbatterie auf eine bestimmte grenze abfällt, schaltet diese sich weg um ein späteres Starten des Motors möglich zu machen. Meinen Kühlschrank (Dometic CoolCombi RF 60) hänge ich an 12V und ebenfalls an die 230V um ein "vorkühlen" in der Garage über die Einspeisdose zu ermöglichen.
Einen Hauptschalter baue ich nach der Verbraucherbatterie ein, um in der Garage eine Entladung der Batterie zu Verhindern.
Die Versteckte Steckdose ist für die Verwendung bei externer Stromquelle (z.B. in der Garage) geplant.
Als Ladegerät ist ein 10Ah Ladegerät mit intelligenter Ladung (Diagnose, Rettungs, Wartungs, ... -funktionen) geplant.
Was sagt ihr zu meinem Plan? Habe ich irgendetwas vergessen bzw. soll ich noch etwas berücksichtigen?
ich bin auch gerade an der Planung der Elektrik (inkl. Zweitbatterie).
Ursprünglich wollte ich eine kleine 54Ah Starterbatterie und eine Große 190Ah Verbraucherbatterie einbauen, da ich jedoch Platzmäßig nur max. 2 Stk 100Ah Batterien unterbringe, versuche ich nun einen anderen Ansatz.
Ich verbinde die beiden Batterien mittels einem Batteriewächter. D.h. wenn die Spannung der Starterbatterie auf eine bestimmte grenze abfällt, schaltet diese sich weg um ein späteres Starten des Motors möglich zu machen. Meinen Kühlschrank (Dometic CoolCombi RF 60) hänge ich an 12V und ebenfalls an die 230V um ein "vorkühlen" in der Garage über die Einspeisdose zu ermöglichen.
Einen Hauptschalter baue ich nach der Verbraucherbatterie ein, um in der Garage eine Entladung der Batterie zu Verhindern.
Die Versteckte Steckdose ist für die Verwendung bei externer Stromquelle (z.B. in der Garage) geplant.
Als Ladegerät ist ein 10Ah Ladegerät mit intelligenter Ladung (Diagnose, Rettungs, Wartungs, ... -funktionen) geplant.
Was sagt ihr zu meinem Plan? Habe ich irgendetwas vergessen bzw. soll ich noch etwas berücksichtigen?
- aircooled68
- Wohnt im T2!
- Beiträge: 2551
- Registriert: 13.04.2009 21:22
- IG T2 Mitgliedsnummer: 0
Re: Schaltplan Zweitbatterie / Verbraucherstromkreis / 230 V
Interessanter Ansatz. Bei den Kapazitäten willst du wohl länger ohne 230V stehen.
Zum Einen: Sicherungen fehlen! Mit richtigem Querschnitt verdrahten. Der Kontakt des Batteriewächters sollte >70A ausgelegt sein.
Zum Anderen. 230V Versorgung im Bus geht nur über den Wechselrichter. Es kann sein, dass einige Schaltnetzteile (zB Laptop, Smartphone) nicht funktionieren, da diese eine richtige Sinusspannung brauchen.
Wenn der Batteriewächter angesprochen hat, kann die 2. Batterie nur noch über das Ladegerät (bzw Generator, der nicht eingezeichnet ist) geladen werden. Erst wenn die 1. Batterie dann über der eingestellten Spannung des Wächters geht, wird die 2. Batterie geladen. Die 2. Batterie ist nicht vor Tiefentladung geschützt. Das (intelligente) Ladegerät muss dann 2 Batterien mit unterschiedlicher Kapazität / Spannung laden. Ob das die "Intelligenz" kann???
Den Hauptschalter würde ich zwischen Batterie und Masse (Karosserie) legen. klick
Ich würde es klassisch machen und falls die Verbraucherbatterie leer ist, den Motor einfach 30 Minuten anwerfen um die Batterie zu laden.
Zum Einen: Sicherungen fehlen! Mit richtigem Querschnitt verdrahten. Der Kontakt des Batteriewächters sollte >70A ausgelegt sein.
Zum Anderen. 230V Versorgung im Bus geht nur über den Wechselrichter. Es kann sein, dass einige Schaltnetzteile (zB Laptop, Smartphone) nicht funktionieren, da diese eine richtige Sinusspannung brauchen.
Wenn der Batteriewächter angesprochen hat, kann die 2. Batterie nur noch über das Ladegerät (bzw Generator, der nicht eingezeichnet ist) geladen werden. Erst wenn die 1. Batterie dann über der eingestellten Spannung des Wächters geht, wird die 2. Batterie geladen. Die 2. Batterie ist nicht vor Tiefentladung geschützt. Das (intelligente) Ladegerät muss dann 2 Batterien mit unterschiedlicher Kapazität / Spannung laden. Ob das die "Intelligenz" kann???
Den Hauptschalter würde ich zwischen Batterie und Masse (Karosserie) legen. klick
Ich würde es klassisch machen und falls die Verbraucherbatterie leer ist, den Motor einfach 30 Minuten anwerfen um die Batterie zu laden.
Re: Schaltplan Zweitbatterie / Verbraucherstromkreis / 230 V
Und schalten die Batteriewächter nicht Masse?
Wollte auch einen an meine Zweitbatterie anklemmen, aber da der dann nur Masse trennen würde, könnte sich bei mir die Elektronik die Masse der Starterbatterie holen.
Meine chaltiung gleicht eher der von Olaf/DFL
Grüße,
Matze
Wollte auch einen an meine Zweitbatterie anklemmen, aber da der dann nur Masse trennen würde, könnte sich bei mir die Elektronik die Masse der Starterbatterie holen.
Meine chaltiung gleicht eher der von Olaf/DFL
Grüße,
Matze
- aircooled68
- Wohnt im T2!
- Beiträge: 2551
- Registriert: 13.04.2009 21:22
- IG T2 Mitgliedsnummer: 0
Re: Schaltplan Zweitbatterie / Verbraucherstromkreis / 230 V
Ja. Ich hab den hier. Der Mosfet intern sollte nach Masse schalten. http://www.conrad.com/ce/de/product/190 ... ein-12-VDCMatze.Th hat geschrieben:Und schalten die Batteriewächter nicht Masse?
Kann man aber einfach mit nem Relais umgehen.
- Dateianhänge
-
-
Manuel1889
- T2-Profi
- Beiträge: 87
- Registriert: 27.05.2015 22:47
- IG T2 Mitgliedsnummer: 0
Re: Schaltplan Zweitbatterie / Verbraucherstromkreis / 230 V
sorry dass ich mich erst jetzt melde, hab die Antworten irgendwie voll übersehen.
erstmal Danke für die Rückmeldung.
Ich habe die Batterien so groß geplant dass der Absorberkühlschrank mit 110W (größter Stromfresser) auch länger mit Strom versorgt wird.
Ich habe mir das Ladegerät "Waeco PerfectCharge 1225" zum Laden von 2 Batterien zugelegt, jedoch weiß ich jetzt nicht ob ich dann die Batterien zusammenschließen darf wenn diese getrennt geladen werden......
Da der Batteriewächter nur 10A schalten kann, werde ich mit diesem ein 70A KFZ-Relais steuern. Habe nun auch eine Sicherung zwischen den Batterien eingebaut.
Ist sonst noch eine Sicherung sinnvoll?
Danke für eure Hilfe
erstmal Danke für die Rückmeldung.
Ich habe die Batterien so groß geplant dass der Absorberkühlschrank mit 110W (größter Stromfresser) auch länger mit Strom versorgt wird.
Ich habe mir das Ladegerät "Waeco PerfectCharge 1225" zum Laden von 2 Batterien zugelegt, jedoch weiß ich jetzt nicht ob ich dann die Batterien zusammenschließen darf wenn diese getrennt geladen werden......
Da der Batteriewächter nur 10A schalten kann, werde ich mit diesem ein 70A KFZ-Relais steuern. Habe nun auch eine Sicherung zwischen den Batterien eingebaut.
Ist sonst noch eine Sicherung sinnvoll?
Danke für eure Hilfe
- aircooled68
- Wohnt im T2!
- Beiträge: 2551
- Registriert: 13.04.2009 21:22
- IG T2 Mitgliedsnummer: 0
Re: Schaltplan Zweitbatterie / Verbraucherstromkreis / 230 V
2 Sicherungen. 30 cm nach jeder Batterie. Geht dir n Kabel am Relais oder sonstwo auf die Karosse, haste im ungünstigsten Fall n Kurzschluss mit der Starter Batterie. Nicht gut.
Sicherung bzw FI für 230V?
Welcher Querschnitt?
Beim Kühlschrank gehe ich mal davon aus, dass dieser selbständig bzw per Schalter zwischen 230 und 12 umschält.
Was du mit dem Ladegerät machen darfst, müsst in der Bedienungsanleitung stehen. Vl. mal runterladen und durchlesen. (Ich hab keins :unbekannt:)
Sicherung bzw FI für 230V?
Welcher Querschnitt?
Beim Kühlschrank gehe ich mal davon aus, dass dieser selbständig bzw per Schalter zwischen 230 und 12 umschält.
Was du mit dem Ladegerät machen darfst, müsst in der Bedienungsanleitung stehen. Vl. mal runterladen und durchlesen. (Ich hab keins :unbekannt:)
-
Manuel1889
- T2-Profi
- Beiträge: 87
- Registriert: 27.05.2015 22:47
- IG T2 Mitgliedsnummer: 0
Re: Schaltplan Zweitbatterie / Verbraucherstromkreis / 230 V
stimmt,FI hab ich noch ganz vergessen.
Querschnitte weiß ich noch nicht, muss ich mir erst genau raussuchen.
Leider steht in der Beschreibung nix genaues aber ich werde morgen mal bei Dometic anrufen....
Querschnitte weiß ich noch nicht, muss ich mir erst genau raussuchen.
Leider steht in der Beschreibung nix genaues aber ich werde morgen mal bei Dometic anrufen....


