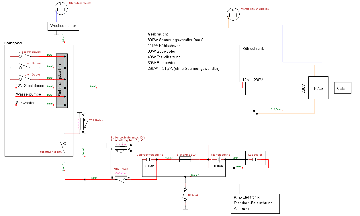
Schaltplan Zweitbatterie / Verbraucherstromkreis / 230 V

Technische Fragen und Antworten, Tipps und Tricks für Profis und Bastler. Hier sind die "Fachleute" am Werk.
Manuel1889
T2-Profi
Beiträge: 87
Registriert: 27.05.2015 22:47
IG T2 Mitgliedsnummer: 0

Re: Schaltplan Zweitbatterie / Verbraucherstromkreis / 230 V

Beitrag von Manuel1889 »

Habe eure Ratschläge beherzigt und nochmal alles umgedreht :-)
es werden nun mittels Batteriewächter gleich beide Batterien vom Verbrauchernetz getrennt. Somit sind auch beide Batterien Tiefentladegeschützt.

Was sagt ihr zu meinen Querschnitten? manche kommen mir schon sehr hoch vor. Habe diese mittels einem online tool ermittelt.
Mit dem Not-Aus trenne ich nun Masse und nicht den + Pol.
Mit dem Hauptschalter wird ein 70A Relais angesteuert, da es keine schönen 70A schalter gibt.
Ich hoffe dass ich mit dieser Konstellation auch mal einen Tag ohne externe Stromversorgung oder Motorstart stehen bleiben kann.

Weiß jemand ob ich den Batteriewächter noch weiter runter stellen kann als 11,5V?
Fällt jemand noch etwas auf was ich übersehen habe?
Dateianhänge
Schaltplan.PNG
Manuel1889
T2-Profi
Beiträge: 87
Registriert: 27.05.2015 22:47
IG T2 Mitgliedsnummer: 0

Re: Schaltplan Zweitbatterie / Verbraucherstromkreis / 230 V

Beitrag von Manuel1889 »

Kann mir noch jemand verraten wie stark der Querschnitt und die Absicherung zwischen den beiden Batterien sein muss?
Ich kann irgendwie nicht abschätzen wieviel Strom da drüber läuft, da ich ja beim Starten auch nicht mittels Trennrelais die batterien trenne.
Benutzeravatar
Volvo-boy
T2-Süchtiger
Beiträge: 760
Registriert: 05.11.2013 12:09
IG T2 Mitgliedsnummer: 0

Re: Schaltplan Zweitbatterie / Verbraucherstromkreis / 230 V

Beitrag von Volvo-boy »

Hallo Manuel,

wiso trennst du die 2 Batterie mit Hilfe einen Relais (Ansteuerung Lima) nicht?

So würdest du immer die Starterbatterie noch haben.
Weiß nicht ob die Starterbatterie, wenn sie nur noch 11,5 Volt hat, ausreicht den Motor noch zu starten

Grüße Daniel
VW T2b Baujahr 75 Westfalia Helsinki (Farbe leuchtorange)
Volvo 123GT Amazon Bj. 68
Volvo 850 T5R

Bild
Manuel1889
T2-Profi
Beiträge: 87
Registriert: 27.05.2015 22:47
IG T2 Mitgliedsnummer: 0

Re: Schaltplan Zweitbatterie / Verbraucherstromkreis / 230 V

Beitrag von Manuel1889 »

Weil ich mir nur einer 100 Ah Batterie zu wenig kapazität habe. Außerdem wäre eine 100Ah Batterie nur zum starten unnötig groß.
Benutzeravatar
Matze.Th
T2-Süchtiger
Beiträge: 401
Registriert: 10.01.2013 13:56
IG T2 Mitgliedsnummer: 0

Re: Schaltplan Zweitbatterie / Verbraucherstromkreis / 230 V

Beitrag von Matze.Th »

Ist eigentlich gar nicht schlecht. Ich habe auch 2 100Ah Batterien und getrennt. Daher habe ich relativ große Leitungen, 16mm^2 glaub ich. Wenn die immer gleich entladen werden sollten da keine so großen Ströme durchfliessen. Bei mir kann ja eine relativ leer und eine voll sein. a fliesst dann schon ein bisschen Strom beim öffnen des Relais.

Aber da es eh wurscht ist was für ein Kabel würde ich dennoch 16er nehmen. Viel hilft viel.

Grüße,
Matze
Bild
Benutzeravatar
Wolfgang T2b *354
Wohnt im T2!
Beiträge: 2601
Registriert: 27.04.2004 11:00
IG T2 Mitgliedsnummer: 354
Kontaktdaten:

Re: Schaltplan Zweitbatterie / Verbraucherstromkreis / 230 V

Beitrag von Wolfgang T2b *354 »

Hallo Manuel,

ich habe den Fred nicht im Detail verfolgt, möglicherweise ist meine Frage schon weiter oben beantwortet worden.

Ich durchschaue Deine Schaltung mit den beiden Batterien nicht richtig. Die sind einerseits über die Leitung mit der 50A-Sicherung (warum diese Sicherung?) fest verbunden, andererseits hast Du einen Batteriewächter dran, der bei 11,5 V einige Verbraucher abschaltet. Die 11,5 V aber sind die gemeinsame Spannung beider Batterien. Das sagt leider wenig über den Ladezustand der einzelnen Batterie aus. Ist das so gewollt? Deine Verbraucherbatterie könntest Du doch noch weiter entladen, oder? Und hast Du probiert, ob Deine Starterbatterie bei 11,5 V noch startet (ich vermute, ja)?

Den Strom zwischen beiden Batterien kann niemand sauber vorhersagen, doch da beide Batterien immer gekoppelt sind, kann sich kein unterschiedliches Spannungsniveau einstellen und damit werden auch keine Ausgleichsströme fließen. Bleiben noch die Lade- und Entladeströme. Die werden sich je nach innerem Widerstand auf die Batterien verteilen, im Extremfall auf eine. Deshalb würde ich als erste Näherung den Querschnitt, den VW nimmt, ansetzen und vielleicht noch ein wenig draufpacken. Im Original sind es 25 qmm. Auf der ganzen Länge vom Generator bis zu beiden Batterien. Das gilt natürlich auch für die Masseleitungen.

Deine Steckdose oben rechts darf keine Steckdose sein, sondern muss eine "Steckerdose" sein. Also ein "Männchen", sofern ich Deine Schaltung richtig verstanden habe und die Dose zur Einspeisung dient. Andernfalls ist's eine Selbstmordschaltung.

Schöne Grüße

Wolfgang
Benutzeravatar
Wolfgang T2b *354
Wohnt im T2!
Beiträge: 2601
Registriert: 27.04.2004 11:00
IG T2 Mitgliedsnummer: 354
Kontaktdaten:

Re: Schaltplan Zweitbatterie / Verbraucherstromkreis / 230 V

Beitrag von Wolfgang T2b *354 »

Hallo Manuel,

mir ist gerad' noch eine Kleinigkeit aufgefallen. Dein Wechselrichter zieht bis zu 70 A, wenn die 800 W die Eingangsleistung sind. Wenn das jedoch die Ausgangsleistung ist, liegst Du deutlich höher, weil die meisten Dinger keinen guten Wirkungsgrad haben. Da sind Deine Zuleitungen und das Relais ziemlich an der Schmerzgrenze. Oder schon darüber. Die meisten Wechselrichter reagieren unfreundlich auf Spannungsabfälle in der Zuleitung. Hier solltest Du noch einmal darüber nachdenken.

Und noch 'was Kleines. Zur Ansteuerung des 70 A-Relais' brauchst Du keine 6 mm, sondern nur 1/10 davon.

Schöne Grüße

Wolfgang
Manuel1889
T2-Profi
Beiträge: 87
Registriert: 27.05.2015 22:47
IG T2 Mitgliedsnummer: 0

Re: Schaltplan Zweitbatterie / Verbraucherstromkreis / 230 V

Beitrag von Manuel1889 »

Erstmal herzlichen Dank für deine Tipps.

Das hatte ich auch mal überlegt, dass ich mittels Batteriewächter die beiden Batterien von einander trenne um die Verbraucherbatterie noch weiter entladen zu können jedoch ist diese dann nicht Entladegeschützt, und das ist angeblich auch nicht so gut. Jedoch für hätte ich mehr Kapazität für die Verbraucher.

Die Steckdose ist natürlich eine Steckerdose.

Das mit dem Wechselrichter habe ich auch schon bemerkt, deswegen möchte ich für diesen eine eigene Leitung direkt von der Batterie zum Wechselrichter legen.
Benutzeravatar
Wolfgang T2b *354
Wohnt im T2!
Beiträge: 2601
Registriert: 27.04.2004 11:00
IG T2 Mitgliedsnummer: 354
Kontaktdaten:

Re: Schaltplan Zweitbatterie / Verbraucherstromkreis / 230 V

Beitrag von Wolfgang T2b *354 »

Hallo Manuel,
Manuel1889 hat geschrieben:Die Steckdose ist natürlich eine Steckerdose.
Da solltest Du noch 'mal ganz tief in Dich gehen. Mit der "Stecker"dose hast Du zwar ein Problem entschärft, Dir aber ein zweites, nicht minder gefährliches,eingehandelt. Ich habe nämlich gerade gesehen, dass Du noch eine CEE-Steckdose vorgesehen hast und ich vermute, die ist ebenfalls zur Stromeinspeisung gedacht, also ebenfalls eine "Stecker"dose.

Zwei "Stecker"dosen in einem Stromkreis sind tödlich, denn wenn die eine angeschlossen ist, führt die andere ebenfalls Spannung. Anfassbar!

Die Alternative (so habe ich es auch bei mir): nur eine Dose und kurze Adapterkabel für die verschiedenen Steckertypen. Das brauchst Du in manchen Ländern sowieso.
Manuel1889 hat geschrieben:Das mit dem Wechselrichter habe ich auch schon bemerkt, deswegen möchte ich für diesen eine eigene Leitung direkt von der Batterie zum Wechselrichter legen.
Auch da würde ich noch einmal ganz tief in mich gehen. Dein Wechselrichter zieht deutlich mehr Dauerstrom als ein Anlasser und an dessen Kabelquerschnitten kannst Du Dich orientieren (>25 qmm, eher 40 oder 50).

Wenn Du also wirklich so ein Ding einbauen willst: fest verdrahten, kürzeste Strecke, keine Relais', Schalter oder Sicherungen dazwischen, es sei denn, sie sind hochstromfest.

Steht auf dem Gerät drauf, wieviel Primärstrom es zieht? Oder sind die 800 W die Ausgangsleistung?

Schöne Grüße

Wolfgang
Manuel1889
T2-Profi
Beiträge: 87
Registriert: 27.05.2015 22:47
IG T2 Mitgliedsnummer: 0

Re: Schaltplan Zweitbatterie / Verbraucherstromkreis / 230 V

Beitrag von Manuel1889 »

Aso, ich dachte du meintest bereits die CEE dose. Den Einzigen Eingang den ich habe ist die CEE buchse. Die versteckge Steckdose die t nur für Strom wenn ich gerade am Netz hänge (z.B. Für einen StaubsUger in der Garage)

Ich werde dann mal prüfen ob ich auf dem Wechselrichter was finden kann.

Danke
Antworten