Moin Moin
Ich würde gerne diesen Schalter für meine BN4 Standheizung benutzen und bräuchte nur die An-Aus Funktion. Kann mir jemand verraten, wo ich die beiden Kabel anschliessen muss. Oder hat jemand gar einen Schaltplan für eine Eberspächer mit diesem Schalter??
T2a Eberspächer Schalter - wie anschliessen?
T2a Eberspächer Schalter - wie anschliessen?
11/69 US 7 seater deluxe / Clipper L
7/77 Westfalia Helsinki
5/79 Winter-Bus
9/63 Typ 3 1500 N panelvan
7/77 Westfalia Helsinki
5/79 Winter-Bus
9/63 Typ 3 1500 N panelvan
- Rolf-Stephan Badura
- Wohnt im T2!
- Beiträge: 6594
- Registriert: 12.05.2008 09:50
- Kontaktdaten:
Re: T2a Eberspächer Schalter - wie anschliessen?
Hallo,
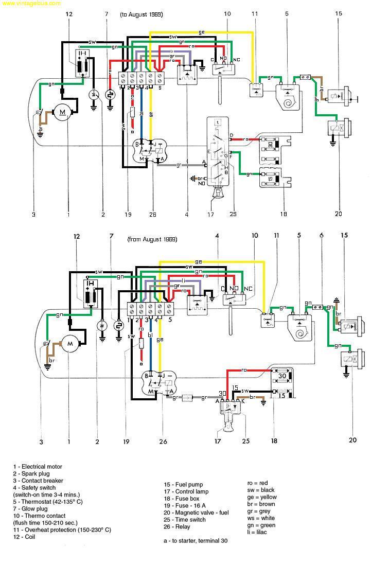
schau mal auf meiner Website, unter Daten, Stromlaufpläne http://www.vw-t2-bulli.de/index.php?de-wiring
Da findet sich auch "Zusatzstromlaufplan Eberspächer Fahrzeugheizung Typ BN 4 Oktober 1970":
Ist nicht ganz was Du suchst, aber da findest Du schon mal ein paar Anschlussbezeichnungen...
Grüße,
schau mal auf meiner Website, unter Daten, Stromlaufpläne http://www.vw-t2-bulli.de/index.php?de-wiring
Da findet sich auch "Zusatzstromlaufplan Eberspächer Fahrzeugheizung Typ BN 4 Oktober 1970":
Ist nicht ganz was Du suchst, aber da findest Du schon mal ein paar Anschlussbezeichnungen...
Grüße,
Sabine & Rolf-Stephan Badura
1979er VW L-Bus Camping Umbau
1970er VW Karmann-Ghia Coupé, 1982er Eriba Pan, HAZET Werkzeug-Sammlung
1979er VW L-Bus Camping Umbau

1970er VW Karmann-Ghia Coupé, 1982er Eriba Pan, HAZET Werkzeug-Sammlung
Re: T2a Eberspächer Schalter - wie anschliessen?
Nutze mal die Suche. Irgendwo hatte ich mal ne PDF mit Reparaturleitfaden und Schaltplan eingestellt.
Bei Fehlern und sinnfreien Worten ist die Autokorrektur zur Verantwortung zu ziehen. grmpf
Bei Fehlern und sinnfreien Worten ist die Autokorrektur zur Verantwortung zu ziehen. grmpf
Mitgliedsnr 773 (Sicherheitsvermerk, Nr aus Protest gegen flegelhaftes Verhalten aus Profil gelöscht)
Re: T2a Eberspächer Schalter - wie anschliessen?
Gesucht, aber leider zunächst nicht gefunden, Polle :-/.
Inzwischen ist doch eine Antwort eingetrudelt. Ausprobiert und passt so ...
Urige Zeitschaltuhr!!
"When pulled out to the first detent A is connected to B & H and E is connected to F, NO connects to the light in the knob.
When pulled out further into the timer area A now connects to B & D, E connects to G and NO is still connected to the light.
To use it as a simple on/off switch terminals A & B would complete a circuit on the first pull as well as in the timed area. To use the timer section only A & D would work. A jumper to NO from B would make the light work too. "
Inzwischen ist doch eine Antwort eingetrudelt. Ausprobiert und passt so ...
Urige Zeitschaltuhr!!
"When pulled out to the first detent A is connected to B & H and E is connected to F, NO connects to the light in the knob.
When pulled out further into the timer area A now connects to B & D, E connects to G and NO is still connected to the light.
To use it as a simple on/off switch terminals A & B would complete a circuit on the first pull as well as in the timed area. To use the timer section only A & D would work. A jumper to NO from B would make the light work too. "
11/69 US 7 seater deluxe / Clipper L
7/77 Westfalia Helsinki
5/79 Winter-Bus
9/63 Typ 3 1500 N panelvan
7/77 Westfalia Helsinki
5/79 Winter-Bus
9/63 Typ 3 1500 N panelvan
Re: T2a Eberspächer Schalter - wie anschliessen?
When pulled out into the timer section, the light in the knob goes out. Is that how it is supposed to be?
11/69 US 7 seater deluxe / Clipper L
7/77 Westfalia Helsinki
5/79 Winter-Bus
9/63 Typ 3 1500 N panelvan
7/77 Westfalia Helsinki
5/79 Winter-Bus
9/63 Typ 3 1500 N panelvan
- aircooled68
- Wohnt im T2!
- Beiträge: 2579
- Registriert: 13.04.2009 21:22
- IG T2 Mitgliedsnummer: 0
Re: T2a Eberspächer Schalter - wie anschliessen?
Ich hab sowas ja nicht drin, aber meine Glaskugel meint, das Licht geht nur an, wenn die Heizung an ist. Und das ist doch in der "timer section" dann durch die Zeitschaltuhr geregelt.vwoderwat hat geschrieben:When pulled out into the timer section, the light in the knob goes out. Is that how it is supposed to be?
Kann mich aber auch irren... :unbekannt:
Re: T2a Eberspächer Schalter - wie anschliessen?
Hmm, aber die Heizung läuft dann ja, zwar mit timer, aber sie läuft, eigentlich müsste die Kontroll-Lampe dann an sein. Wenn der timer ausgelaufen ist, geht die Kontrollampe an, obwohl die Heizung dann aus ist. Büschen merkwürdig. Ob die Kontroll-Lampe falsch angeschlossen ist?
Wenn man den Schalter nur in Position 1 heraus zieht , geht die Kontroll-Lampe an, die Heizung springt kurz an, geht dann aus, das Licht brennt weiter. Da muss ich wohl nochmal bei
Wenn man den Schalter nur in Position 1 heraus zieht , geht die Kontroll-Lampe an, die Heizung springt kurz an, geht dann aus, das Licht brennt weiter. Da muss ich wohl nochmal bei
11/69 US 7 seater deluxe / Clipper L
7/77 Westfalia Helsinki
5/79 Winter-Bus
9/63 Typ 3 1500 N panelvan
7/77 Westfalia Helsinki
5/79 Winter-Bus
9/63 Typ 3 1500 N panelvan
Re: T2a Eberspächer Schalter - wie anschliessen?
So, hier noch mal ein update für diejenigen, die sich für so einen T2a Eberspächer Timer interessieren.
Hier ist auch noch ein schickes Diagramm, da kann man schön sehen, wie es richtig gemacht wird.
D an 30, F an 15, A zum Relay der Heizung und NO an Masse. Und siehe da, jetzt macht alles Sinn.
In Postition 1 (permanent an) funktioniert er nur mit Zündung, die Timer Sektion funktioniert auch ohne. Die Kontroll-Leuchte geht an, sobald man am Schalter zieht und sie bleibt an, solange er gezogen ist. Nun ist alles, wie sein soll. Uriger Schalter übrigens. Man zieht den Knopf 7-8cm raus und zieht damit den Timer auf. Läuft ca 15min und dabei wandert der Knopf langsam zurück. Einziger Nachteil, wenn man so will, dat Dingens ist ziemlich gross und da ist nur knapp Platz genug hinterm Armaturenbrett.
Hier ist auch noch ein schickes Diagramm, da kann man schön sehen, wie es richtig gemacht wird.
D an 30, F an 15, A zum Relay der Heizung und NO an Masse. Und siehe da, jetzt macht alles Sinn.
In Postition 1 (permanent an) funktioniert er nur mit Zündung, die Timer Sektion funktioniert auch ohne. Die Kontroll-Leuchte geht an, sobald man am Schalter zieht und sie bleibt an, solange er gezogen ist. Nun ist alles, wie sein soll. Uriger Schalter übrigens. Man zieht den Knopf 7-8cm raus und zieht damit den Timer auf. Läuft ca 15min und dabei wandert der Knopf langsam zurück. Einziger Nachteil, wenn man so will, dat Dingens ist ziemlich gross und da ist nur knapp Platz genug hinterm Armaturenbrett.
11/69 US 7 seater deluxe / Clipper L
7/77 Westfalia Helsinki
5/79 Winter-Bus
9/63 Typ 3 1500 N panelvan
7/77 Westfalia Helsinki
5/79 Winter-Bus
9/63 Typ 3 1500 N panelvan

