Lenkrad bewegt sich beim Lenken axial zur Lenksäule
- BerndDerBus
- T2-Süchtiger
- Beiträge: 537
- Registriert: 15.11.2010 22:05
- IG T2 Mitgliedsnummer: 0
Re: Lenkrad bewegt sich beim Lenken axial zur Lenksäule
Heute Abend diese x-fache Gewebescheibe geprüft: keine Risse und kein Spiel.
- Norbert*848b
- *

- Beiträge: 7665
- Registriert: 30.10.2013 22:57
- IG T2 Mitgliedsnummer: 848
Re: Lenkrad bewegt sich beim Lenken axial zur Lenksäule
Danke Bernd, gut zu wissen, 
… handelt es sich etwa um diese Ausführung?:
https://de.hoffmann-speedster.com/bus/b ... 9?c=142912
… dann würde ich mir diese als "Notreserve" einmal zurück legen wollen.
… handelt es sich etwa um diese Ausführung?:
https://de.hoffmann-speedster.com/bus/b ... 9?c=142912
… dann würde ich mir diese als "Notreserve" einmal zurück legen wollen.
Freundliche Grüße aus Algermissen
Norbert
Hab hin und wieder "Versager" und "Verzweifler" im reviedierten Zustand für den 50 PS Bus-Motor anzubieten.
Norbert
Hab hin und wieder "Versager" und "Verzweifler" im reviedierten Zustand für den 50 PS Bus-Motor anzubieten.
- BerndDerBus
- T2-Süchtiger
- Beiträge: 537
- Registriert: 15.11.2010 22:05
- IG T2 Mitgliedsnummer: 0
Re: Lenkrad bewegt sich beim Lenken axial zur Lenksäule
Ja. Es ist dieser Typ. Ob genau gleicher Hersteller etc. kann ich nicht sagen.
Ich werde bei Gelegenheit nun auch auf die andere umbauen.
Diese werde ich erst einmal weiterfahren - aber regelmässig beobachten.
Gruss Niels
Ich werde bei Gelegenheit nun auch auf die andere umbauen.
Diese werde ich erst einmal weiterfahren - aber regelmässig beobachten.
Gruss Niels
-
bulliralle
- T2-Süchtiger
- Beiträge: 197
- Registriert: 29.06.2017 08:43
- IG T2 Mitgliedsnummer: 0
Re: Lenkrad bewegt sich beim Lenken axial zur Lenksäule
Habe heute Antwort von Herrn Rieche bekommen.
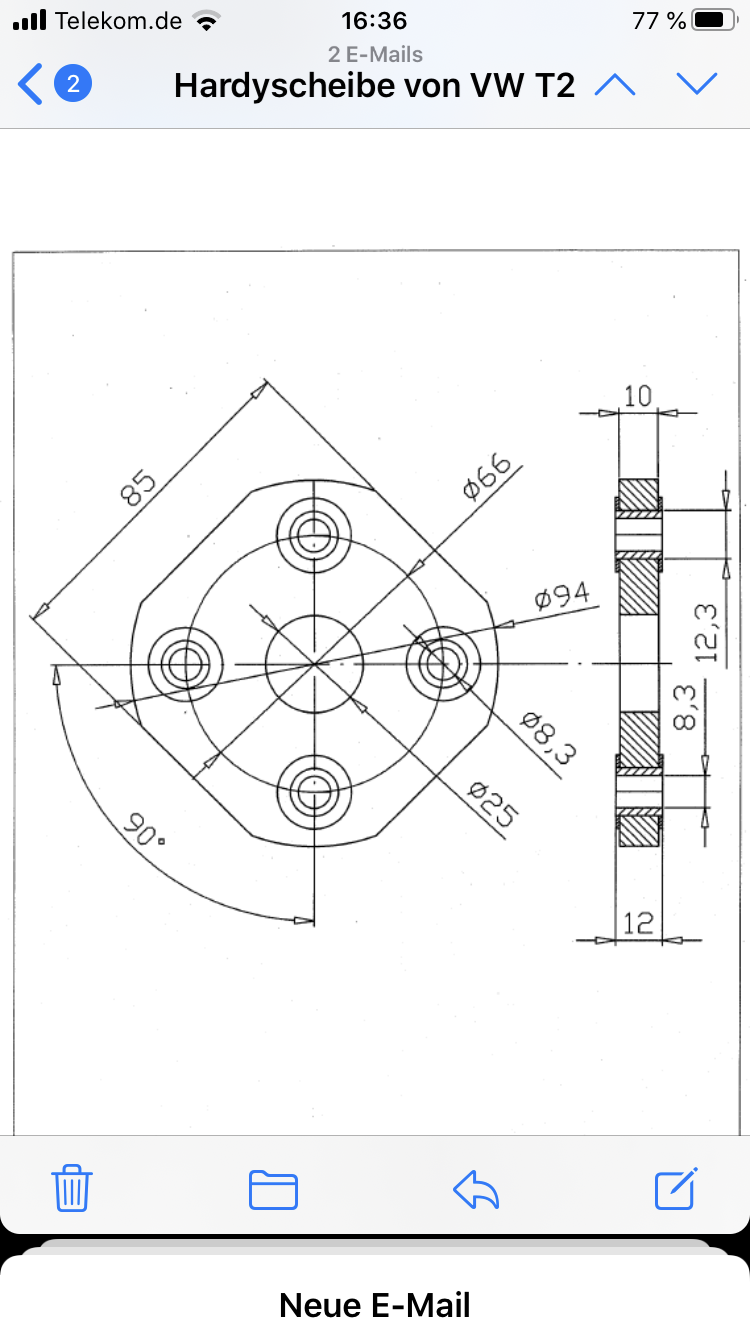
Er könnte die Scheibe wie auf der Zeichnung nachproduzieren und lässt mir noch ein Angebot für eine Kleinserie von 100 stück zukommen. Ist jetzt die Frage, ob das Sinn macht, wenn’s auch nur eine Gewebescheibe ist.
Grüße
Er könnte die Scheibe wie auf der Zeichnung nachproduzieren und lässt mir noch ein Angebot für eine Kleinserie von 100 stück zukommen. Ist jetzt die Frage, ob das Sinn macht, wenn’s auch nur eine Gewebescheibe ist.
Grüße
Re: Lenkrad bewegt sich beim Lenken axial zur Lenksäule
Ich denke Kieftenklok hat die in dieser Bauform? Unterschied scheint zu sein, dass die hier gezeichnete an den Hülsen oben und unten jeweils einen Bund hat, was das tatsächlich besser wäre.
Thorsten (ex *123)
Re: Lenkrad bewegt sich beim Lenken axial zur Lenksäule
Mal ein Update zu diesem Thema:
Ich habe die derzeit in England immer wieder bei eBay angebotene Scheibe gekauft und jetzt hier liegen. Erst einmal unauffällig und von der Haptik wie man es erwarten würde.
Stutzig macht mich die Aufschrift SGF, ich denke die bauen die nicht mehr? Also entweder tatsächlich NOS von diesem Hersteller (gut), oder Fake (wahrscheinlicher, und potentiell schlecht).
Positiv stimmt mich allerdings, dass an einer Hülse ein Nylongeflecht raus schaut. Das heißt, dass da zumindest was drin ist.
Beim nächsten Zahnarzttermin werde ich den man fragen ob er das Ding in sein Röntgengerät hält;-)
Ich habe die derzeit in England immer wieder bei eBay angebotene Scheibe gekauft und jetzt hier liegen. Erst einmal unauffällig und von der Haptik wie man es erwarten würde.
Stutzig macht mich die Aufschrift SGF, ich denke die bauen die nicht mehr? Also entweder tatsächlich NOS von diesem Hersteller (gut), oder Fake (wahrscheinlicher, und potentiell schlecht).
Positiv stimmt mich allerdings, dass an einer Hülse ein Nylongeflecht raus schaut. Das heißt, dass da zumindest was drin ist.
Beim nächsten Zahnarzttermin werde ich den man fragen ob er das Ding in sein Röntgengerät hält;-)
Thorsten (ex *123)
- Tanjas&Thomas_T2b
- *

- Beiträge: 5104
- Registriert: 27.08.2010 20:32
- IG T2 Mitgliedsnummer: 680
Re: Lenkrad bewegt sich beim Lenken axial zur Lenksäule
Hi Thorsten,
ich habe mir die SGF Scheiben aus England,von Autoteile Ehring und "Kafer" Scheiben gekauft.
Die Scheiben aus England scheinen mir am hochwertigsten zu sein.
Da sind zumindest die Metallhülsen fest in den Scheiben.
Bei den Scheiben von Autoteile Ehring kann ich die Metallhülsen von Hand raus drücken.
Das finde ich erst mal so mittelmäßig toll.
Die Kafer Scheibe scheint mir totaler Murks zu sein.
Da kann man die Hülsen auch so raus drücken.
Und in der Mitte scheint ein Blech zu sein, das dann mit Gummi ummantelt ist.
Im Prinzip steht da aber einmal ein Sägetest an allen Modellen aus, damit man das auch ernsthaft bewerten kann.
Vorher würde ich noch mal ein paar andere definierte Testprozeduren über die Scheiben ergehen lassen.
Ich hatte da ja auch schon einen Vorschlag im internen Bereich gemacht, will aber jetzt nicht alleine Mein Geld da investieren.
Viele Grüße
Thomas
ich habe mir die SGF Scheiben aus England,von Autoteile Ehring und "Kafer" Scheiben gekauft.
Die Scheiben aus England scheinen mir am hochwertigsten zu sein.
Da sind zumindest die Metallhülsen fest in den Scheiben.
Bei den Scheiben von Autoteile Ehring kann ich die Metallhülsen von Hand raus drücken.
Das finde ich erst mal so mittelmäßig toll.
Die Kafer Scheibe scheint mir totaler Murks zu sein.
Da kann man die Hülsen auch so raus drücken.
Und in der Mitte scheint ein Blech zu sein, das dann mit Gummi ummantelt ist.
Im Prinzip steht da aber einmal ein Sägetest an allen Modellen aus, damit man das auch ernsthaft bewerten kann.
Vorher würde ich noch mal ein paar andere definierte Testprozeduren über die Scheiben ergehen lassen.
Ich hatte da ja auch schon einen Vorschlag im internen Bereich gemacht, will aber jetzt nicht alleine Mein Geld da investieren.
Viele Grüße
Thomas
Im Angebot: Drehzahlmesser, US-Motor-Kabelbaum *680
Nehmen und geben! Es ist nicht der Sinn eines Forums, Informationen per PN auszutauschen!
Nehmen und geben! Es ist nicht der Sinn eines Forums, Informationen per PN auszutauschen!
- Frank_Hopfner
- T2-Süchtiger
- Beiträge: 796
- Registriert: 20.11.2012 19:59
- Kontaktdaten:
Re: Lenkrad bewegt sich beim Lenken axial zur Lenksäule
Nachdem Ich mit der Hardyscheibe "Kefer" auf die Nase gefallen bin (Elektrisch Leitend = Dauerhupen bei meinem 69er)
habe ich die C&C jetzt bei Heckkraftmotors.de bestellt. Heiko hat diese gemessen und sie ist NICHT leitend.
Über die Qualität werde ich berichten wenn Sie da ist.
Gruß, NIko
-
sören *186
- T2-Süchtiger
- Beiträge: 801
- Registriert: 25.12.2003 21:54
- IG T2 Mitgliedsnummer: 186
Re: Lenkrad bewegt sich beim Lenken axial zur Lenksäule
Moin,
ist die Scheibe von heckkraf ... schon da?
Wie bewertest Du für Dich allein die Qualität?
Ich muss mir dringend eine bestellen ...
Aber wo nur?
(uups, wie formuliert man dieses Thema oder Verletzung der Rechte anderer?)
Grüße von Sören
ist die Scheibe von heckkraf ... schon da?
Wie bewertest Du für Dich allein die Qualität?
Ich muss mir dringend eine bestellen ...
Aber wo nur?
(uups, wie formuliert man dieses Thema oder Verletzung der Rechte anderer?)
Grüße von Sören
- Norbert*848b
- *

- Beiträge: 7665
- Registriert: 30.10.2013 22:57
- IG T2 Mitgliedsnummer: 848
Re: Lenkrad bewegt sich beim Lenken axial zur Lenksäule
Hallo Sören,
Ab FIN 214 2164 060>> ist es egal, ob die Gelenkscheibe leitend ist oder nicht.
Für mein MJ brauchte ich eine nicht leitende, die passende habe ich bei Wagenteile bekommen.
Die entspricht dieser hier von diesem Händler: https://www.autoteile-ehring.de/de/vw-b ... ng-t2.html
Qualität hart genug für kaum axiale Bewegung und vor allen Dingen nicht leitend (reagiert nicht auf Magnet, dazu muss man allerdings die Hülsen ziehen, ... und dann wieder einstecken).
Für welches MJ?
Ab FIN 214 2164 060>> ist es egal, ob die Gelenkscheibe leitend ist oder nicht.
Für mein MJ brauchte ich eine nicht leitende, die passende habe ich bei Wagenteile bekommen.
Die entspricht dieser hier von diesem Händler: https://www.autoteile-ehring.de/de/vw-b ... ng-t2.html
Qualität hart genug für kaum axiale Bewegung und vor allen Dingen nicht leitend (reagiert nicht auf Magnet, dazu muss man allerdings die Hülsen ziehen, ... und dann wieder einstecken).
Freundliche Grüße aus Algermissen
Norbert
Hab hin und wieder "Versager" und "Verzweifler" im reviedierten Zustand für den 50 PS Bus-Motor anzubieten.
Norbert
Hab hin und wieder "Versager" und "Verzweifler" im reviedierten Zustand für den 50 PS Bus-Motor anzubieten.

