Hi Thomas,hier mal ein paar Bilder .Tanjas&Thomas_T2b hat geschrieben: ↑05.04.2025 21:33 Hi Nils,
hier ist schon mal der Reparaturleitfaden zum runter laden:
https://www.volkswagen-classic-parts.co ... _76_77.pdf
Und hier einmal die Anleitung zum Prüfen der Zündung:
Zündung.JPG
Schau dir das bitte einmal als erstes an, eh du irgendetwas an der Einspritzanlage machst.
Kannst du mal Bilder von der Silikonnaht des Luftmengenmessers machen?
Und eventuall auch mal Bilder vom Motorraum von oben aus zwei drei Winkeln.
Dann kann man ggf. mal sehen ob der LMM mal geöffnet wurde und ob irgendetwas im Motorraum nicht richtig steckt.
Wenn die Zündung ok ist, zieh doch mal den Unterdruckschlauch vom Zündverteiler ab.
Damit erzeugst du eine kleine Falschluftquelle und schau mal ob der Motor dann anspringt.
Viele Grüße
Thomas
Neu Im Forum
Re: Neu Im Forum
- Tanjas&Thomas_T2b
- *

- Beiträge: 5153
- Registriert: 27.08.2010 20:32
- IG T2 Mitgliedsnummer: 680
Re: Neu Im Forum
Hi Nils,
auf den Bildern sehe ich diverse Dinge an denen man arbeiten kann:
1. Der Zündkondensator muss mit dem Gehäuse an den Zündverteiler geschraubt werden, damit der seine Funktion erfüllen kann.
(Zumindest gehört er an Masse und nicht an einen Kabelbaum) Und warum sind zwei Kondensatoren verbaut?
2. Deine Schlauchschellen sind alle minderwertig und an vielen Stellen benutzt, wo man sie nicht wirklich brauchen sollte.
Die schneiden sich in die Schläuche, es gibt rundziehende Schlauchschellen, die das nicht tun.
Gerade bei deinen Benzinleitungen solltest du da neue Leitungen mit passenden Schlauchschellen verbauen. (Ich empfehle hier als Lieferanden TK-Carparts)
3. Am "S-Boot" zwischen LMM und Drosselklappe hast du das Y-Stück mit einem Kabelbinder fixiert.
Das Y-Stück wird mit der Wulst eigentlich in den Ansaugschlauch gesteckt, wenn man das gemacht hat, fällt der auch nie im Leben wieder raus.
Den Schlauch solltest du dir mal genauer ansehen. Die sind in den meisten Fällen an den "Rillen" eingerissen und müssen dann ersetzt werden.
4. Die Kühlluftklappen fehlen
Bei dir hat jemand die Kühlluftklappen ausgebaut, die werden aber für die gleichmäßige Luftverteilung zwischen den Zylindern und dem Ölkühler benötigt.
Ob mit oder Ohne Thermostat ist an der Stelle eine Glaubensfrage. Aber sie müssen auf jeden Fall verbaut sein.
5. Auf deiner Kaltstartdüse steckt ein schwarzer Stecker. Der muss eigentlich blau sein. Entweder da ist mal das schwarze Gehäuse gegen ein blaues getauscht worden, oder du hast da jetzt den Stecker vom Zusatzluftschieber drauf.
Und dann würde das Kaltstartventil permanent einspritzen was falsch ist. Da kannst du zum testen ja mal fix den Stecker abziehen und schauen, ob der Bus dann anspringt.
Nachtrag: In der Ecke sind drei Stecker:
- Blau: Kaltstartdüse
- Braun: Thermozeitschalter
- Schwarz: Zusatzluftschieber
Die Farben finden sich auch auf den jeweiligen Bauteilen wieder, deshalb ist das eigentlich nur stecken nach Farben.
6. Und was sind das für Kabelzungen, die da auf dem Motorblock neben dem Zündverteiler liegen?
Das mal so Dinge im Schnelldurchgang.
Viele Grüße
Thomas
auf den Bildern sehe ich diverse Dinge an denen man arbeiten kann:
1. Der Zündkondensator muss mit dem Gehäuse an den Zündverteiler geschraubt werden, damit der seine Funktion erfüllen kann.
(Zumindest gehört er an Masse und nicht an einen Kabelbaum) Und warum sind zwei Kondensatoren verbaut?
2. Deine Schlauchschellen sind alle minderwertig und an vielen Stellen benutzt, wo man sie nicht wirklich brauchen sollte.
Die schneiden sich in die Schläuche, es gibt rundziehende Schlauchschellen, die das nicht tun.
Gerade bei deinen Benzinleitungen solltest du da neue Leitungen mit passenden Schlauchschellen verbauen. (Ich empfehle hier als Lieferanden TK-Carparts)
3. Am "S-Boot" zwischen LMM und Drosselklappe hast du das Y-Stück mit einem Kabelbinder fixiert.
Das Y-Stück wird mit der Wulst eigentlich in den Ansaugschlauch gesteckt, wenn man das gemacht hat, fällt der auch nie im Leben wieder raus.
Den Schlauch solltest du dir mal genauer ansehen. Die sind in den meisten Fällen an den "Rillen" eingerissen und müssen dann ersetzt werden.
4. Die Kühlluftklappen fehlen
Bei dir hat jemand die Kühlluftklappen ausgebaut, die werden aber für die gleichmäßige Luftverteilung zwischen den Zylindern und dem Ölkühler benötigt.
Ob mit oder Ohne Thermostat ist an der Stelle eine Glaubensfrage. Aber sie müssen auf jeden Fall verbaut sein.
5. Auf deiner Kaltstartdüse steckt ein schwarzer Stecker. Der muss eigentlich blau sein. Entweder da ist mal das schwarze Gehäuse gegen ein blaues getauscht worden, oder du hast da jetzt den Stecker vom Zusatzluftschieber drauf.
Und dann würde das Kaltstartventil permanent einspritzen was falsch ist. Da kannst du zum testen ja mal fix den Stecker abziehen und schauen, ob der Bus dann anspringt.
Nachtrag: In der Ecke sind drei Stecker:
- Blau: Kaltstartdüse
- Braun: Thermozeitschalter
- Schwarz: Zusatzluftschieber
Die Farben finden sich auch auf den jeweiligen Bauteilen wieder, deshalb ist das eigentlich nur stecken nach Farben.
6. Und was sind das für Kabelzungen, die da auf dem Motorblock neben dem Zündverteiler liegen?
Das mal so Dinge im Schnelldurchgang.
Viele Grüße
Thomas
Im Angebot: Drehzahlmesser, US-Motor-Kabelbaum *680
Nehmen und geben! Es ist nicht der Sinn eines Forums, Informationen per PN auszutauschen!
Nehmen und geben! Es ist nicht der Sinn eines Forums, Informationen per PN auszutauschen!
- Tanjas&Thomas_T2b
- *

- Beiträge: 5153
- Registriert: 27.08.2010 20:32
- IG T2 Mitgliedsnummer: 680
Re: Neu Im Forum
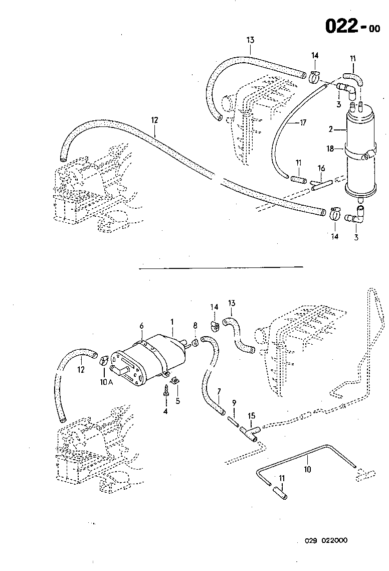
7. Der Aktivkohlefilter ist falsch angeschlossen
Irgendwie hast du den Aktivkohlefilter an das Unterdrucksystem angeschlossen.
An den kleinen Anschluss Nr8 vom Aktivkohlefilter gehört die Tankentlüftung und nicht eine Unterdruckleitung: Für dich gilt die untere Variante.
Das ist auch noch eine sehr dubiose Falschluftquelle.
Irgendwie hast du den Aktivkohlefilter an das Unterdrucksystem angeschlossen.
An den kleinen Anschluss Nr8 vom Aktivkohlefilter gehört die Tankentlüftung und nicht eine Unterdruckleitung: Für dich gilt die untere Variante.
Das ist auch noch eine sehr dubiose Falschluftquelle.
Im Angebot: Drehzahlmesser, US-Motor-Kabelbaum *680
Nehmen und geben! Es ist nicht der Sinn eines Forums, Informationen per PN auszutauschen!
Nehmen und geben! Es ist nicht der Sinn eines Forums, Informationen per PN auszutauschen!
Re: Neu Im Forum
Hi Thomas,
Danke für die ganzen Tipps.
Benzinleitungen und diverse Schellen sollen als nächstes in Angriff genommen werden.
Das mit dem Stecker beim Kaltstartventil werde ich mal ausprobieren.
Ja der Kondensator ist noch nicht ganz fertig , war gerade dabei den alten gegen den neuen zu tauschen aber noch nicht ganz fertig.
Das mit dem S Schlauch sehe ich mir auch nochmal genauer an.
Von der Belüftung für die Zylinder habe ich bis jetzt noch gar nichts gewusst. Die scheinen dann ja schon lange zu fehlen, seit ich den Bulli besitze fehlen diese.
Gibt es davor Zeichnungen wie das aussieht und bekommt man sowas noch?
Die kabelzungen sind die von dem alten Kondensator der da noch liegt. Das wird aber noch erledigt.
Ok , ich habe jetzt den Aktivkohlefilter so angeschlossen wie er vorher war, die entlüftung vom Tank geht an den aktivkohlefilter und vorher über ein T Stück an den Luftfilter Kasten, dort wo der kleine Anschluss ist.
Geht die Belüftung dann in dem 5mm Schlauch nur in den Aktivkohlefilter und gar nicht an den Luftfilter?
Ich habe mich schon gewundert warum 2 Leitungen vom Aktivkohlefilter zum Luftfilter gehen.
Gruß
Nils
Danke für die ganzen Tipps.
Benzinleitungen und diverse Schellen sollen als nächstes in Angriff genommen werden.
Das mit dem Stecker beim Kaltstartventil werde ich mal ausprobieren.
Ja der Kondensator ist noch nicht ganz fertig , war gerade dabei den alten gegen den neuen zu tauschen aber noch nicht ganz fertig.
Das mit dem S Schlauch sehe ich mir auch nochmal genauer an.
Von der Belüftung für die Zylinder habe ich bis jetzt noch gar nichts gewusst. Die scheinen dann ja schon lange zu fehlen, seit ich den Bulli besitze fehlen diese.
Gibt es davor Zeichnungen wie das aussieht und bekommt man sowas noch?
Die kabelzungen sind die von dem alten Kondensator der da noch liegt. Das wird aber noch erledigt.
Ok , ich habe jetzt den Aktivkohlefilter so angeschlossen wie er vorher war, die entlüftung vom Tank geht an den aktivkohlefilter und vorher über ein T Stück an den Luftfilter Kasten, dort wo der kleine Anschluss ist.
Geht die Belüftung dann in dem 5mm Schlauch nur in den Aktivkohlefilter und gar nicht an den Luftfilter?
Ich habe mich schon gewundert warum 2 Leitungen vom Aktivkohlefilter zum Luftfilter gehen.
Gruß
Nils
Re: Neu Im Forum
Welche Dünne Leitung gehört denn an den kleinen Anschluss am Luftfilter?
- Norbert*848b
- *

- Beiträge: 7707
- Registriert: 30.10.2013 22:57
- IG T2 Mitgliedsnummer: 848
Re: Neu Im Forum
Moin Nils,
Du meinst sicherlich den Anschluss des "On/ Off Valve".
Bitte prüfen, ob dieses Teil auch noch dicht ist. (Schlauch draufstecken und dran saugen.)
Ach noch interessant:https://www.thesamba.com/vw/forum/viewt ... p?t=669631
Beim "Ratwell" so bezeichnet: K zweigt über ein T-Stück von der Verbindung "M" (Distributor to Throttle body) ab.
https://www.ratwell.com/technical/VacuumHoses.html
Edit 23:18h: Vielleicht auch noch interessant: https://www.thesamba.com/vw/forum/viewt ... =eec+valve
Schau Dir bitte einmal den Link von meinem Post vom 6. April 2025, 00:33 an.
Du meinst sicherlich den Anschluss des "On/ Off Valve".
Bitte prüfen, ob dieses Teil auch noch dicht ist. (Schlauch draufstecken und dran saugen.)
Ach noch interessant:https://www.thesamba.com/vw/forum/viewt ... p?t=669631
Beim "Ratwell" so bezeichnet: K zweigt über ein T-Stück von der Verbindung "M" (Distributor to Throttle body) ab.
https://www.ratwell.com/technical/VacuumHoses.html
Edit 23:18h: Vielleicht auch noch interessant: https://www.thesamba.com/vw/forum/viewt ... =eec+valve
Freundliche Grüße aus Algermissen
Norbert
Hab hin und wieder "Versager" und "Verzweifler" im reviedierten Zustand für den 50 PS Bus-Motor anzubieten.
Norbert
Hab hin und wieder "Versager" und "Verzweifler" im reviedierten Zustand für den 50 PS Bus-Motor anzubieten.
Re: Neu Im Forum
Hi Norbert,
Ja genau , ich habe das auch schon durchgelesen.
Ich muss den kleinen Schlauch der jetzt aktuell von der Tankentlüftung zum Aktivkohlefilter geht und dabei über ein T Stück an den Luftfilter, so ändern das die Tankentlüftung nur noch an den Aktivkohlefilter geht und einen neuen Schlauch vom Luftfilter zur drosselklappe ziehen, muss nur noch dort den Anschluss finden aber der liegt ja glaube ich Richtung Tankschottwand.
Warum jetzt die letzten 10 Jahre das ganze so komisch angeschlossen war kann ich nicht verstehen.
Danke für die Links
Gruß Nils
Ja genau , ich habe das auch schon durchgelesen.
Ich muss den kleinen Schlauch der jetzt aktuell von der Tankentlüftung zum Aktivkohlefilter geht und dabei über ein T Stück an den Luftfilter, so ändern das die Tankentlüftung nur noch an den Aktivkohlefilter geht und einen neuen Schlauch vom Luftfilter zur drosselklappe ziehen, muss nur noch dort den Anschluss finden aber der liegt ja glaube ich Richtung Tankschottwand.
Warum jetzt die letzten 10 Jahre das ganze so komisch angeschlossen war kann ich nicht verstehen.
Danke für die Links
Gruß Nils
Re: Neu Im Forum
Hallo Liebe Mitglieder,
Ist mir ja schon etwas peinlich , heute habe ich nochmals die zündspule und einige Dinge durchgemessenen, alle Werte passen.
Dann sagte Thomas mir ja was vom Kondensator den ich da notdürftig angebaumelt habe, dass es so ja nicht funktionieren kann, dass ist mir dann heute im laufe des Tages auch irgendwie klar geworden das Masse ja ganz gut wäre, eben gerade an Masse gesetzt, Motor springt sofort an und bleibt es auch 🫣🫣
Manchmal sind es wirklich die kleinsten Dinge aber anscheinend war es wirklich ( Nur ) der Kondensator.
Aber egal, nur so lernt man es, jetzt hab ich jedenfalls nochmal mehr dazu gelernt was Fehlersuche angeht und weiß jetzt auch noch wo bei meinem Motor die nächsten Baustellen sind.
Nochmals vielen Dank für die Unterstützung!!
Ich Genieße jetzt noch etwas den Benzingeruch.
Gruß Nils
Ist mir ja schon etwas peinlich , heute habe ich nochmals die zündspule und einige Dinge durchgemessenen, alle Werte passen.
Dann sagte Thomas mir ja was vom Kondensator den ich da notdürftig angebaumelt habe, dass es so ja nicht funktionieren kann, dass ist mir dann heute im laufe des Tages auch irgendwie klar geworden das Masse ja ganz gut wäre, eben gerade an Masse gesetzt, Motor springt sofort an und bleibt es auch 🫣🫣
Manchmal sind es wirklich die kleinsten Dinge aber anscheinend war es wirklich ( Nur ) der Kondensator.
Aber egal, nur so lernt man es, jetzt hab ich jedenfalls nochmal mehr dazu gelernt was Fehlersuche angeht und weiß jetzt auch noch wo bei meinem Motor die nächsten Baustellen sind.
Nochmals vielen Dank für die Unterstützung!!
Ich Genieße jetzt noch etwas den Benzingeruch.
Gruß Nils
- Tanjas&Thomas_T2b
- *

- Beiträge: 5153
- Registriert: 27.08.2010 20:32
- IG T2 Mitgliedsnummer: 680
Re: Neu Im Forum
Hi Nils,
schön das der Bus wieder läuft.
Manchmal sind Bilder dann doch eine große Hilfe bei der Fehlersuche.
Und es sind ja auch noch ein paar Nebenschauplätze dabei aufgetaucht.
Busse sind halt auch nur wie Patienten. Es gibt keine gesunden Busse, nur schlecht untersuchte
Aber hattest du den Kondensator nie fest geschraubt gehabt? Eigentlich hattest du ja nur am Y-Stück gearbeitet.
Viele Grüße
Thomas
schön das der Bus wieder läuft.
Manchmal sind Bilder dann doch eine große Hilfe bei der Fehlersuche.
Und es sind ja auch noch ein paar Nebenschauplätze dabei aufgetaucht.
Busse sind halt auch nur wie Patienten. Es gibt keine gesunden Busse, nur schlecht untersuchte
Aber hattest du den Kondensator nie fest geschraubt gehabt? Eigentlich hattest du ja nur am Y-Stück gearbeitet.
Viele Grüße
Thomas
Im Angebot: Drehzahlmesser, US-Motor-Kabelbaum *680
Nehmen und geben! Es ist nicht der Sinn eines Forums, Informationen per PN auszutauschen!
Nehmen und geben! Es ist nicht der Sinn eines Forums, Informationen per PN auszutauschen!
Re: Neu Im Forum
Hi Thomas,
Ja da hast du recht
Doch der alte war auch noch dran , ich habe die Schraube nicht so rausbekommen und gedacht zum Testen häng ich den neuen erstmal hin und schließe ihn an, dass war aber leider genau der Fehler
Jetzt habe ich den Verteiler einmal rausgenommen und den Kondensator richtig angebaut.
Das mit dem Y Stück war wahrscheinlich reiner Zufall, dass es genau danach nicht mehr lief.
Daher war das ja auch mein erster Gedanke. Weil sonst habe ich ja nichts gemacht nachdem er beim Ölwechsel noch problemlos ansprang.
Aber so weiß ich jetzt noch wo die nächsten Baustellen sind und wenn ich alles komplett überholt habe, schaue ich mal ob mir jemand mit den passenden Messgeräten nochmal beim einstellen des CO Erzes helfen kann, damit er auch vernünftig läuft.
Weist du ob man die Klappen die mir für die Kühlung der Zylinder fehlen noch irgendwie bekommt inkl. Dem Gestänge?
Lg
Nils
Ja da hast du recht
Doch der alte war auch noch dran , ich habe die Schraube nicht so rausbekommen und gedacht zum Testen häng ich den neuen erstmal hin und schließe ihn an, dass war aber leider genau der Fehler
Jetzt habe ich den Verteiler einmal rausgenommen und den Kondensator richtig angebaut.
Das mit dem Y Stück war wahrscheinlich reiner Zufall, dass es genau danach nicht mehr lief.
Daher war das ja auch mein erster Gedanke. Weil sonst habe ich ja nichts gemacht nachdem er beim Ölwechsel noch problemlos ansprang.
Aber so weiß ich jetzt noch wo die nächsten Baustellen sind und wenn ich alles komplett überholt habe, schaue ich mal ob mir jemand mit den passenden Messgeräten nochmal beim einstellen des CO Erzes helfen kann, damit er auch vernünftig läuft.
Weist du ob man die Klappen die mir für die Kühlung der Zylinder fehlen noch irgendwie bekommt inkl. Dem Gestänge?
Lg
Nils
